| Тип отверстия | Конусность 1:12 |

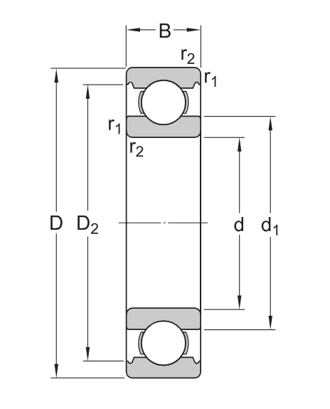
Размеры
| d | 100 mm | Диаметр отверстия |
|---|---|---|
| D | 215 mm | Наружный диаметр |
| B | 47 mm | Ширина |
| d1 | ≈ 136 mm | Диаметр заплечика внутреннего кольца |
| D1 | ≈ 181.9 mm | Диаметр заплечика наружного кольца |
| C1 | 2.469 mm | Выступание шариков за торцы подшипника |
| r1,2 | min. 3 mm | Размер фаски |

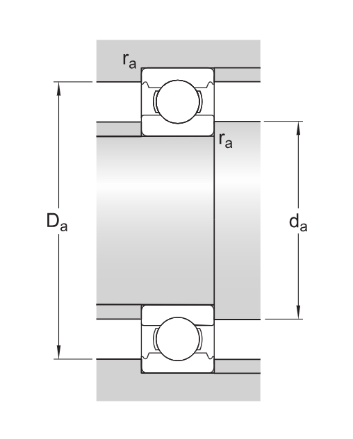
Размеры опоры
| Da | max. 201 mm | Диаметр опоры в корпусе |
|---|---|---|
| ra | max. 3 mm | Радиус галтели |
Расчётные данные
| Номинальная динамическая грузоподъёмность | C | 143 kN |
|---|---|---|
| Номинальная статическая грузоподъёмность | C0 | 57 kN |
| Предел усталостной прочности | Pu | 2.36 kN |
| Номинальная частота вращения | 6 000 r/min | |
| Предельная частота вращения | 4 000 r/min | |
| Допустимый угловой перекос | α | 3 ° |
| Расчётный коэффициент | kr | 0.045 |
| Предельное значение | e | 0.24 |
| Расчётный коэффициент | Y0 | 2.8 |
| Расчётный коэффициент | Y1 | 2.6 |
| Расчётный коэффициент | Y2 | 4.1 |
|
Бренд
|
ArtNC |
|
Внутренний диаметр, мм
|
100 |
|
Наружный диаметр, мм
|
215 |
|
Ширина, мм
|
47 |
|
Вес, кг
|
27 |