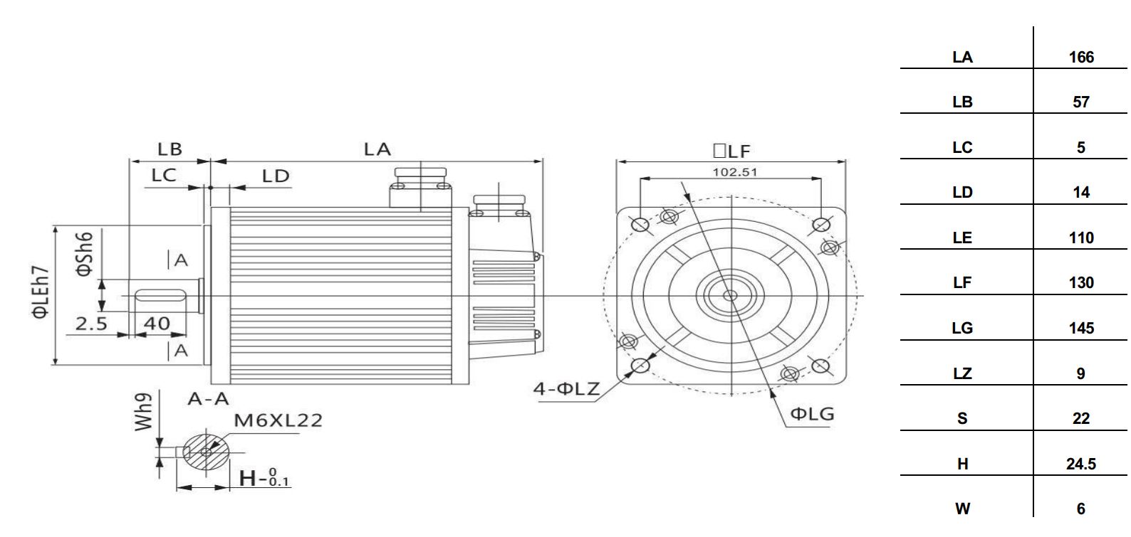
Серводвигатель ArtNC2-1W00S25GAM относится к серии сервоприводов ArtNC2. Двигатель имеет встроенный инкрементальный энкодер 2500 имп/об. Степень защиты - IP66. Вал двигателя со шпонкой, диаметром 22мм. Основные технические характеристики двигателя приведенные в таблице ниже.
| Мощность, кВт (S1) | Крутящий момент, Нм | Крутящий момент пиковый, Нм | Частота вращения номинальная, об/мин | Момент инерции ротора,кг*м*м | Размер фланца, мм |
| 1 | 4 | 12 | 2500 | 0,85×10-3 | 130 |
Управление двигателем осуществляется через драйвер ArtNC2-1W00S, подключение к драйверу - комплектом силового и энкодерного кабелей.
|
Бренд
|
ArtNC |
|
Момент удержания, Нм
|
4 |
|
Момент (пиковый), Нм
|
12 |
|
Скорость, об/мин
|
2500 |
|
Энкодер
|
2500 имп/об |
|
Ток, A
|
4 |
|
Фланец, мм
|
130 |
|
Мощность, кВт
|
0.01 |
|
Диаметр вала, мм
|
22 |
|
Степень защиты
|
IP66 |
|
Тормоз
|
нет |
|
Диапазон рабочих температур, °C
|
от -20 до +50 |
|
Момент инерции ротора, г*см.кв.
|
0.85 |
|
Напряжение, В
|
220 |
|
Режим работы
|
S1 |
|
PCD, мм
|
145 |
|
Класс изоляции
|
F |
|
Серия сервопривода
|
ARTNC2 |
|
Длина, мм
|
223 |
|
Высота, мм
|
130 |
|
Ширина, мм
|
130 |
|
Центрирующий поясок, мм
|
9 |
|
Вес, кг
|
5.5 |