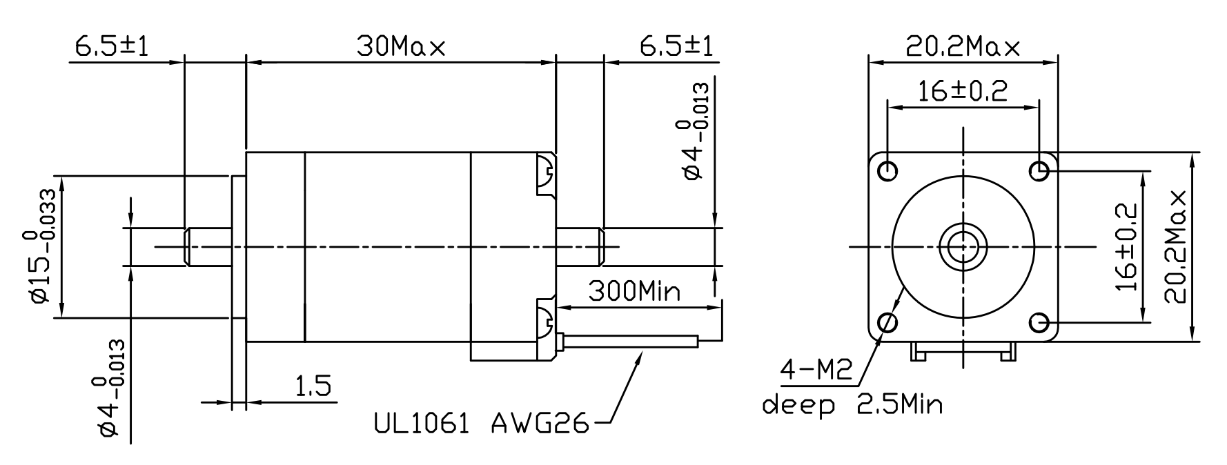
Гибридный шаговый двигатель Fulling Motor FL20STH30-0604B-4 (shaft length 5-6.5 mm) имеет 4 вывода для подключения и следующие электромеханические характеристики:
| Тип включения обмоток | Момент удержания, Н⋅м | Ток, А | Сопротивление фазы, Ом | Индуктивность фазы, мГн |
| биполярное | 0,018 | 0,6 | 6,5 | 1,9 |
Двигатель имеет стандарный типоразмер NEMA8, два вала диаметром 4 мм. Его механические характеристики приведены в таблице ниже:
| Длина корпуса, мм | Угол шага, град. | Момент инерции ротора, г⋅см2 | Масса, кг | Радиальная нагрузка, H | Аксиальная нагрузка, H |
| 30 | 1,8 | 2 | 0,06 | 20 | 4 |
Гарантийный срок - 12 месяцев с момента покупки при обязательном соблюдении технологии монтажа, режима и условий эксплуатации, предусмотренных производителем.
Всегда в наличии широкий выбор компонентов шагового и серво-шагового привода: двигателей, драйверов, кабелей и других принадлежностей.
При необходимости уточнения технических характеристик, возникновении других вопросов, пожалуйста, свяжитесь с нами по телефону, электронной почте или через мессенджеры.
|
Бренд
|
FULLING MOTOR |
|
Тип двигателя
|
шаговый двигатель |
|
Момент удержания, Нм
|
0.18 |
|
Ток, A
|
0.06 |
|
Фланец ШД
|
NEMA 8 (20 мм) |
|
Тип вала
|
с двух сторон |
|
Диаметр вала, мм
|
4 |
|
Степень защиты
|
IP30 |
|
Тормоз
|
нет |
|
Диапазон рабочих температур, °C
|
от -20 до +50 |
|
Индуктивность, мГн
|
1.9 |
|
Сопротивление обмотки, Ом
|
6.5 |
|
Количество выводов
|
4 |
|
PCD, мм
|
28.2 |
|
Количество фаз
|
2 |
|
Класс изоляции
|
B |
|
Серия шагового привода
|
STH |
|
Длина, мм
|
30 |
|
Высота, мм
|
20 |
|
Ширина, мм
|
20 |
|
Центрирующий поясок, мм
|
15 |
|
Угол шага, град.
|
1,8 |
|
Вес, кг
|
0.1 |