Подшипник PER.5306-W бренда PEER - это механическое устройство, которое используются для уменьшения трения и облегчения вращения или линейного движения между двумя элементами в различных механизмах.
Преимущества шариковых подшипников:
- меньшее трение по сравнению с подшипниками скольжения;
- высокая скорость вращения благодаря низкому сопротивлению;
- долговечность при правильной эксплуатации и регулярной смазке;
- способность воспринимать радиальные и осевые нагрузки;
- простота в установке и эксплуатации.
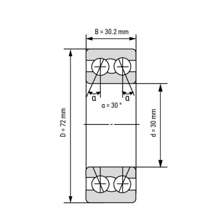
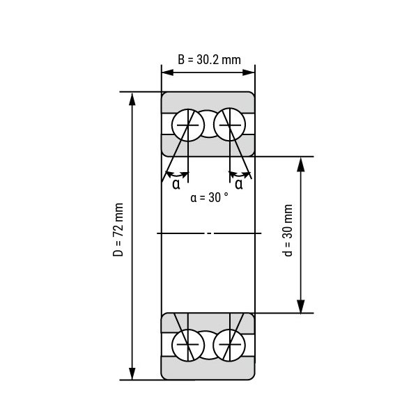
Основные характеристики:
- внутренний диаметр: 30,16 мм;
- наружный диаметр: 0,53 мм;
- ширина: 10 мм;
- масса: 0,53 кг.
Гарантийный срок - 12 месяцев с момента покупки (при обязательном соблюдения технологии монтажа, режима и условий эксплуатации, предусмотренных производителем).
|
Бренд
|
PEER |
|
Внутренний диаметр, мм
|
30 |
|
Наружный диаметр, мм
|
72 |
|
Ширина, мм
|
30,16 |