Двухрядный подшипник NTN-SNR состоит из двух рядов шариков или роликов, что позволяет одновременно воспринимать радиальные и осевые нагрузки. Это делает его идеальным для применения в условиях, где требуются высокая нагрузочная способность и компактность. Такие подшипники обеспечивают стабильную работу при высоких скоростях, низкое трение и долговечность.
Они широко используются в автомобилях, промышленном оборудовании и других механизмах, где необходимы надежность и эффективность в ограниченном пространстве.
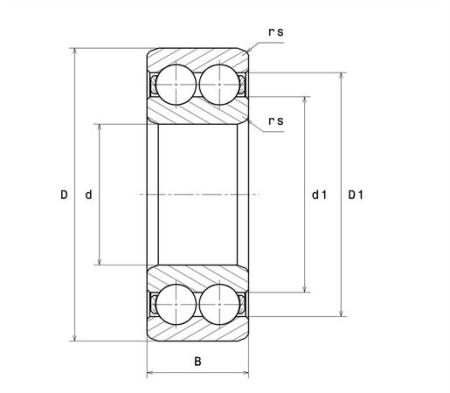
Размеры
- Внутренний диаметр: 40 мм;
- Наружный диаметр: 80 мм;
- Ширина подшипника/внутреннего кольца: 23 мм;
- Наружный диаметр внутреннего кольца: 54,2 мм;
- Внутренний диаметр наружного кольца: 65,7 мм;
- Минимальный радиус галтели: 1,1 мм;
- Класс радиального зазора: CN;
- Класс точности: P0;
- Вес: 0,5 кг.
Производительность продукта
- Динамическая грузоподъёмность: 34,1 кН;
- Статическая грузоподъёмность: 29,9 кН;
- Предельная усталостная нагрузка: 1,66 кН;
- Коэффициент: 15;
- Базовая частота вращения: 7600 об./мин;
- Предельная частота вращения: 8000 об./мин;
- Мин. рабочая температура: -30 °C;
- Макс. рабочая температура: 130 °C.
Частоты подшипников
- Собственная частота наружного кольца (60 об/мин): 4,627 Hz;
- Собственная частота внутреннего кольца (60 об/мин): 6,373 Hz;
- Собственная частота сепаратора (60 об/мин): 0,421 Hz;
- Собственная частота беговых дорожек (60 об/мин): 6,14 Hz.
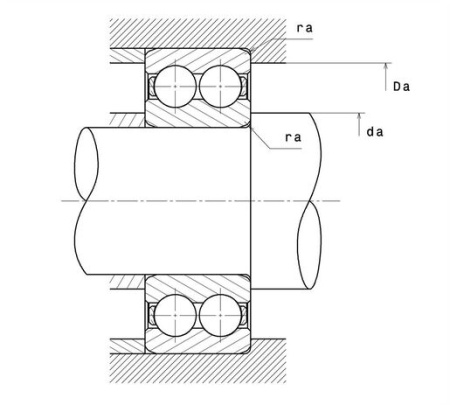
Размеры окружающих деталей
- Минимальный диаметр буртика вала: 47 мм;
- Максимальный диаметр буртика корпуса: 73 мм;
- Максимальный радиус галтели вала и корпуса: 1 мм.
|
Бренд
|
SNR |
|
Сепаратор
|
полиамидный |
|
Уплотнение
|
без уплотнений (открытый) |
|
Зазор / преднатяг
|
CN - нормальный зазор |
|
Внутренний диаметр, мм
|
40 |
|
Наружный диаметр, мм
|
80 |
|
Ширина, мм
|
23 |
|
Вес, кг
|
0.53 |