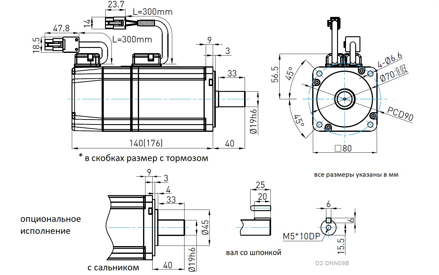
Серводвигатель FR-MS-75-2-B-5-08-D относится к серии сервоприводов D2. Основные технические характеристики двигателя приведенные в таблице ниже. Двигатель имеет встроенный 13 битный энкодер, оснащен электромагнитным тормозом. Степень защиты - IP65 (кроме вала и разьемов). Вал двигателя под шпонку, с сальником, диаметром 19 мм.
Технические характеристики:
| Серия | Мощность, кВт (S1) | Размер фланца, мм | Напряжение, В | Тормоз | Частота вращения номинальная (максимальная), об/мин | Крутящий момент, Нм | Крутящий момент пиковый, Нм | Энкодер | Момент инерции ротора,г*см*см |
| D2T | 0.75 | 80 | 220 | есть | 3000 (4500) | 2.4 | 7,2 | 13 бит | 1460 |
Управление двигателем осуществляется через драйвер D2-1023-_-C0, подключение к драйверу - силовым HVPS06AA__MB и энкодерным HVE13IAB__MB кабелями.
|
Бренд
|
HIWIN |
|
Момент удержания, Нм
|
2.4 |
|
Момент (пиковый), Нм
|
7.2 |
|
Скорость, об/мин
|
3000 |
|
Скорость (максимальная), об/мин
|
4500 |
|
Энкодер
|
13 бит |
|
Фланец, мм
|
80 |
|
Мощность, кВт
|
0.75 |
|
Диаметр вала, мм
|
19 |
|
Степень защиты
|
IP65 |
|
Тормоз
|
есть |
|
Диапазон рабочих температур, °C
|
от 0 до +40 |
|
Момент инерции ротора, г*см.кв.
|
1460 |
|
Напряжение, В
|
220 |
|
Режим работы
|
S1 |
|
Класс изоляции
|
F |
|
Серия сервопривода
|
FR |
|
Длина, мм
|
216 |
|
Высота, мм
|
80 |
|
Ширина, мм
|
96,5 |
|
Вес, кг
|
3.8 |