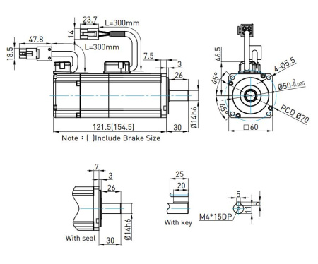
Серводвигатель FR-LS-40-2-0-6-06-D относится к серии сервоприводов D2. Основные технические характеристики двигателя приведенные в таблице ниже. Двигатель имеет встроенный 17 битный энкодер. Степень защиты - IP65 (кроме вала и разьемов). Вал двигателя под шпонку, с сальником, диаметром 14мм.
| Мощность, кВт (S1) | Крутящий момент, Нм | Крутящий момент пиковый, Нм | Частота вращения номинальная (максимальная), об/мин | Момент инерции ротора,г*см*см | Размер фланца, мм |
| 0,4 | 1,27 | 3,81 | 3000 (4500) | 270 | 60 |
Управление двигателем осуществляется через драйвер D2T-0423-_-B4, подключение к драйверу - силовым HVPS04AA__MB и энкодерным HVE13IAB__MB кабелями.
|
Бренд
|
HIWIN |
|
Момент удержания, Нм
|
1.27 |
|
Момент (пиковый), Нм
|
3.81 |
|
Скорость, об/мин
|
3000 |
|
Скорость (максимальная), об/мин
|
4500 |
|
Энкодер
|
17 бит |
|
Ток пик, A
|
7.05 |
|
Ток, A
|
2.05 |
|
Фланец, мм
|
60 |
|
Мощность, кВт
|
0.4 |
|
Диаметр вала, мм
|
14 |
|
Степень защиты
|
IP65 |
|
Тормоз
|
нет |
|
Диапазон рабочих температур, °C
|
от 0 до +40 |
|
Момент инерции ротора, г*см.кв.
|
270 |
|
Напряжение, В
|
220 |
|
Режим работы
|
S1 |
|
PCD, мм
|
70 |
|
Класс изоляции
|
F |
|
Серия сервопривода
|
FR |
|
Длина, мм
|
151,5 |
|
Высота, мм
|
60 |
|
Ширина, мм
|
76,5 |
|
Центрирующий поясок, мм
|
50 |
|
Вес, кг
|
1,627 |