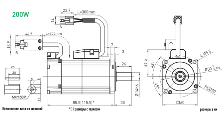
Серводвигатель EM1-C-M-20-2-B-F-0-D относится к серии сервоприводов E1. Основные технические характеристики двигателя приведенные в таблице ниже. Двигатель имеет встроенный 23 битный абсолютный энкодер, оснащен электромагнитным тормозом. Степень защиты - IP65 (разьемы IP20, вал IP40). Вал двигателя под шпонку, с сальником, диаметром 14мм.
| Мощность, кВт (S1) | Крутящий момент, Нм | Крутящий момент пиковый, Нм | Частота вращения номинальная (максимальная), об/мин | Момент инерции ротора,г*см*см | Размер фланца, мм |
| 0,2 | 0,64 | 2,24 | 3000 (6000) | 326 | 60 |
Управление двигателем осуществляется через драйвер ED1S-VN-0423-A0, подключение к драйверу - силовым HVPS06AB__MB и энкодерным HVE13IAB__MB кабелями.
|
Бренд
|
HIWIN |
|
Момент удержания, Нм
|
0.64 |
|
Момент (пиковый), Нм
|
2.24 |
|
Скорость, об/мин
|
3000 |
|
Скорость (максимальная), об/мин
|
6000 |
|
Энкодер
|
23 бит А |
|
Ток пик, A
|
6.4 |
|
Ток, A
|
1.6 |
|
Фланец, мм
|
60 |
|
Мощность, кВт
|
1 |
|
Диаметр вала, мм
|
14 |
|
Степень защиты
|
IP65 |
|
Тормоз
|
есть |
|
Диапазон рабочих температур, °C
|
от 0 до +40 |
|
Момент инерции ротора, г*см.кв.
|
293 |
|
Напряжение, В
|
220 |
|
Режим работы
|
S1 |
|
PCD, мм
|
70 |
|
Класс изоляции
|
F |
|
Серия сервопривода
|
E1 |
|
Длина, мм
|
115,5 |
|
Высота, мм
|
60 |
|
Ширина, мм
|
60 |
|
Центрирующий поясок, мм
|
50 |
|
Вес, кг
|
1,65 |