Стабилизированный импульсный источник питания RPS2410 фирмы Leadshine предназначен для питания шаговых двигателей и сервомоторов.
- Напряжение питания: 115/230В ±10% переменного тока
- Выходное напряжение: 24В постоянного тока
- Выходной ток: 10A (пиковый 12А)
- Встроенная система защиты от короткого замыкания, повышенного напряжения и перегрузки
- Долговременная выходная мощность 240 Вт
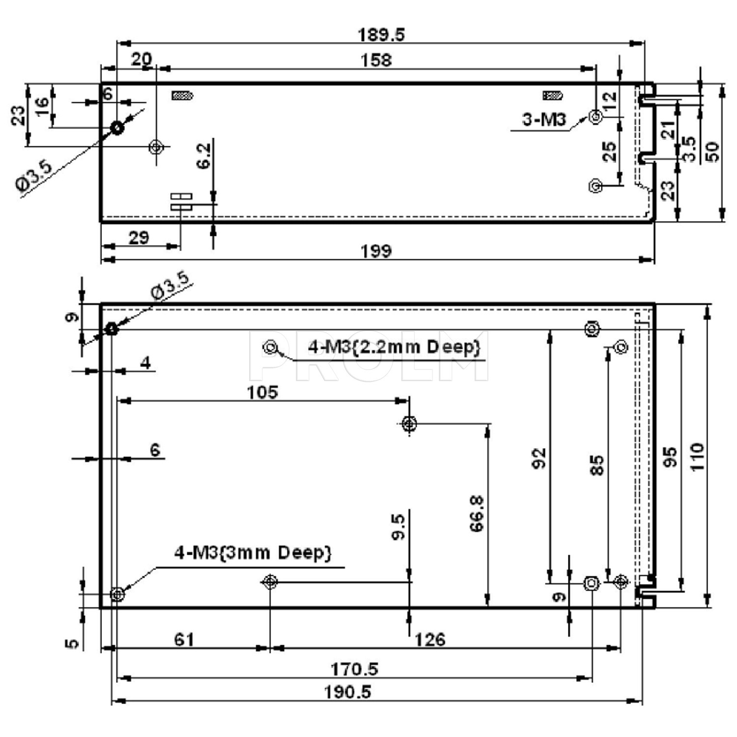
- Габариты 199*110*50мм
- Масса - 0,8кг
Гарантийный срок - 12 месяцев с момента покупки при обязательном соблюдении технологии монтажа, режима и условий эксплуатации, предусмотренных производителем.
Всегда в наличии широкий выбор компонентов шагового и серво-шагового привода: двигателей, драйверов, кабелей и других принадлежностей.
При необходимости уточнения технических характеристик, возникновении других вопросов, пожалуйста, свяжитесь с нами по телефону, электронной почте или через мессенджеры.
|
Бренд
|
Leadshine |
|
Напряжение питания, В
|
85-132 или 176-265 VAC |
|
Выходной ток, А
|
10 |
|
Мощность, кВт
|
0.24 |
|
Выходное напряжение, В
|
24 VDC |
|
Длина, мм
|
199 |
|
Высота, мм
|
50 |
|
Ширина, мм
|
110 |
|
Вес, кг
|
0.78 |