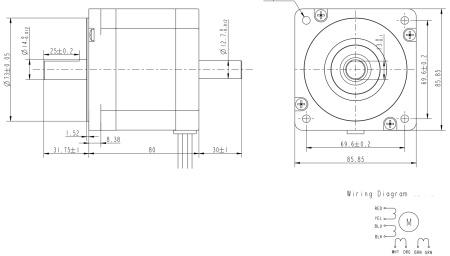
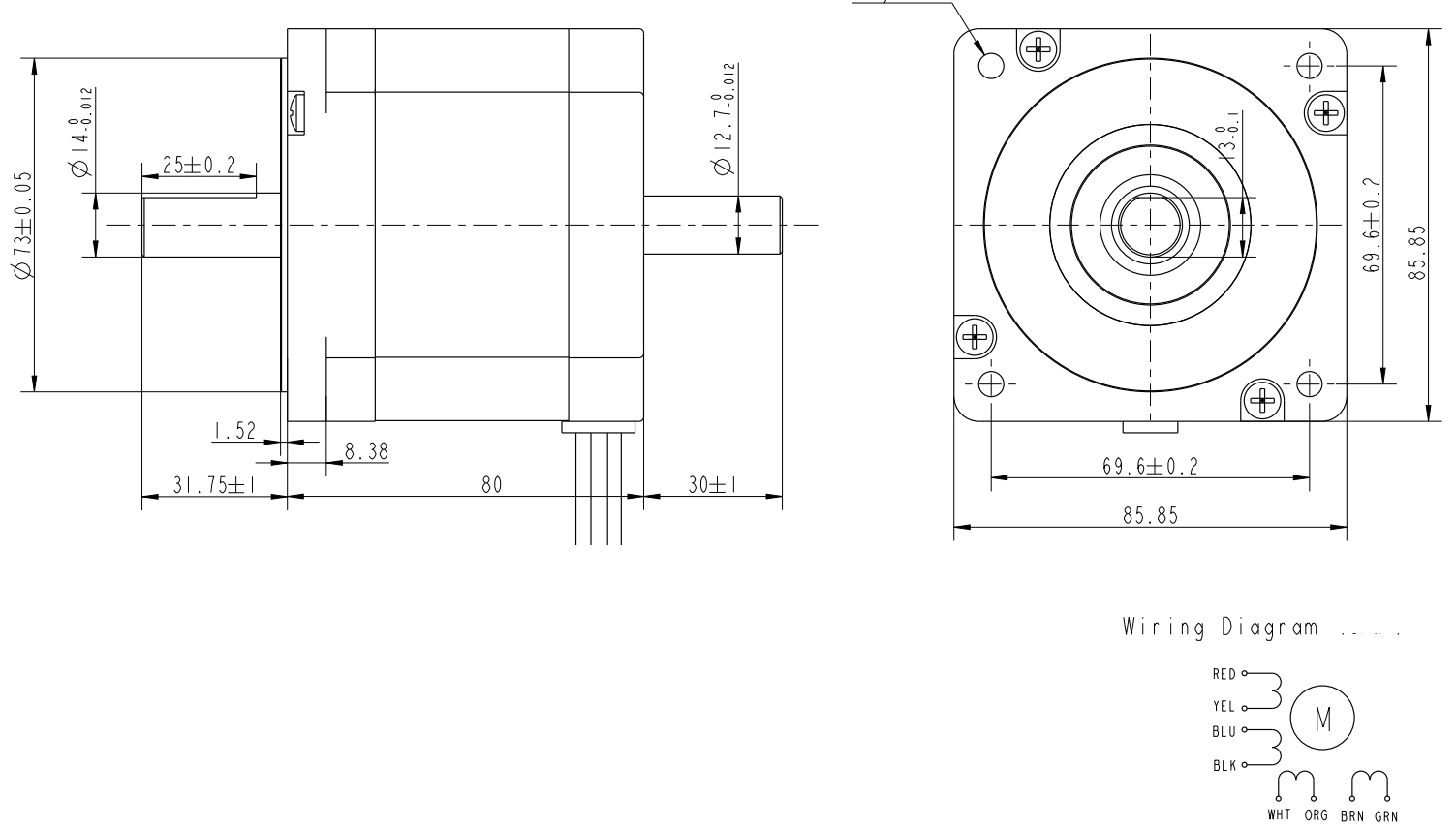
Гибридный шаговый двигатель Fulling Motor FL86STH80-4208B-14-12,7 имеет 8 выводов для подключения и следующие электромеханические характеристики при различных типах включения:
| Тип включения обмоток | Момент удержания, Н⋅м | Ток, А | Сопротивление фазы, Ом | Индуктивность фазы, мГн |
| униполярное | 3,3 | 4,2 | 0,8 | 3,5 |
| последовательное | 4,5 | 3 | 1,6 | 14 |
| паралельное | 4,5 | 6 | 0,4 | 3,5 |
Двигатель имеет стандартный типоразмер NEMA 34, два вала диаметром 14 мм, его механические характеристики приведены в таблице ниже:
| Длина корпуса, мм | Угол шага, град. | Момент инерции ротора, г⋅см2 | Масса, кг | Радиальная нагрузка, H | Аксиальная нагрузка, H |
| 80 | 1,8 | 1400 | 2,3 | 220 | 60 |
Гарантийный срок - 12 месяцев с момента покупки при обязательном соблюдении технологии монтажа, режима и условий эксплуатации, предусмотренных производителем.
Всегда в наличии широкий выбор компонентов шагового и серво-шагового привода: двигателей, драйверов, кабелей и других принадлежностей.
При необходимости уточнения технических характеристик, возникновении других вопросов, пожалуйста, свяжитесь с нами по телефону, электронной почте или через мессенджеры.
|
Бренд
|
FULLING MOTOR |
|
Тип двигателя
|
шаговый двигатель |
|
Момент удержания, Нм
|
3.3 |
|
Ток, A
|
4.2 |
|
Фланец ШД
|
NEMA 34 (86 мм) |
|
Тип вала
|
с двух сторон |
|
Диаметр вала, мм
|
14 |
|
Степень защиты
|
IP30 |
|
Тормоз
|
нет |
|
Диапазон рабочих температур, °C
|
от -20 до +50 |
|
Индуктивность, мГн
|
3.5 |
|
Сопротивление обмотки, Ом
|
0.8 |
|
Количество выводов
|
8 |
|
PCD, мм
|
121.26 |
|
Количество фаз
|
2 |
|
Класс изоляции
|
B |
|
Серия шагового привода
|
STH |
|
Длина, мм
|
80 |
|
Высота, мм
|
86 |
|
Ширина, мм
|
86 |
|
Центрирующий поясок, мм
|
22 |
|
Угол шага, град.
|
1,8 |
|
Вес, кг
|
5.2 |