Линейный шаговый актуатор 57EC4S-3.25-001 имеет 4 вывода для подключения и следующие электромеханические характеристики:
| Тип включения | Усилие, кг | Ток, А | Сопротивление фазы, Ом | Индуктивность фазы, мГн |
| биполярное | 30 (при 300имп/с) | 3,32 | 0,98 | 2,6 |
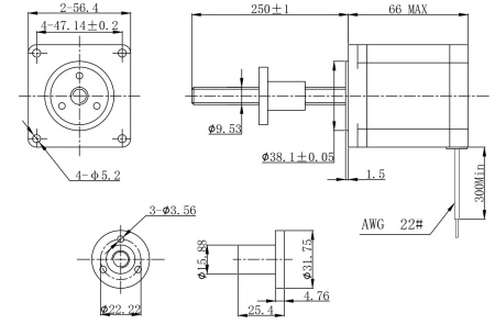
Двигатель актуатора имеет стандартный типоразмер NEMA 23, исполнение с внешней гайкой. Вал двигателя выполнен в виде трапецеидального винта диаметром 9,53мм. Механические характеристики актуатора приведены в таблице ниже:
| Длина корпуса, мм | Угол шага | Шаг резьбы винта, мм | Дискретность шага, мкм | Длина винта, мм |
| 66 | 1,8 | 2,1168 | 10,584 | 250 |
Для подключения рекомендуем использовать драйвер M542 и источник питания RPS369.
|
Бренд
|
FULLING MOTOR |
|
Тип двигателя
|
шаговый двигатель |
|
Ток, A
|
3.32 |
|
Фланец ШД
|
NEMA 23 (57 мм) |
|
Индуктивность, мГн
|
2.6 |
|
Сопротивление обмотки, Ом
|
0.98 |
|
Количество выводов
|
4 |
|
Длина, мм
|
66 |
|
Угол шага, град.
|
1,8 |
|
Вес, кг
|
0.4 |