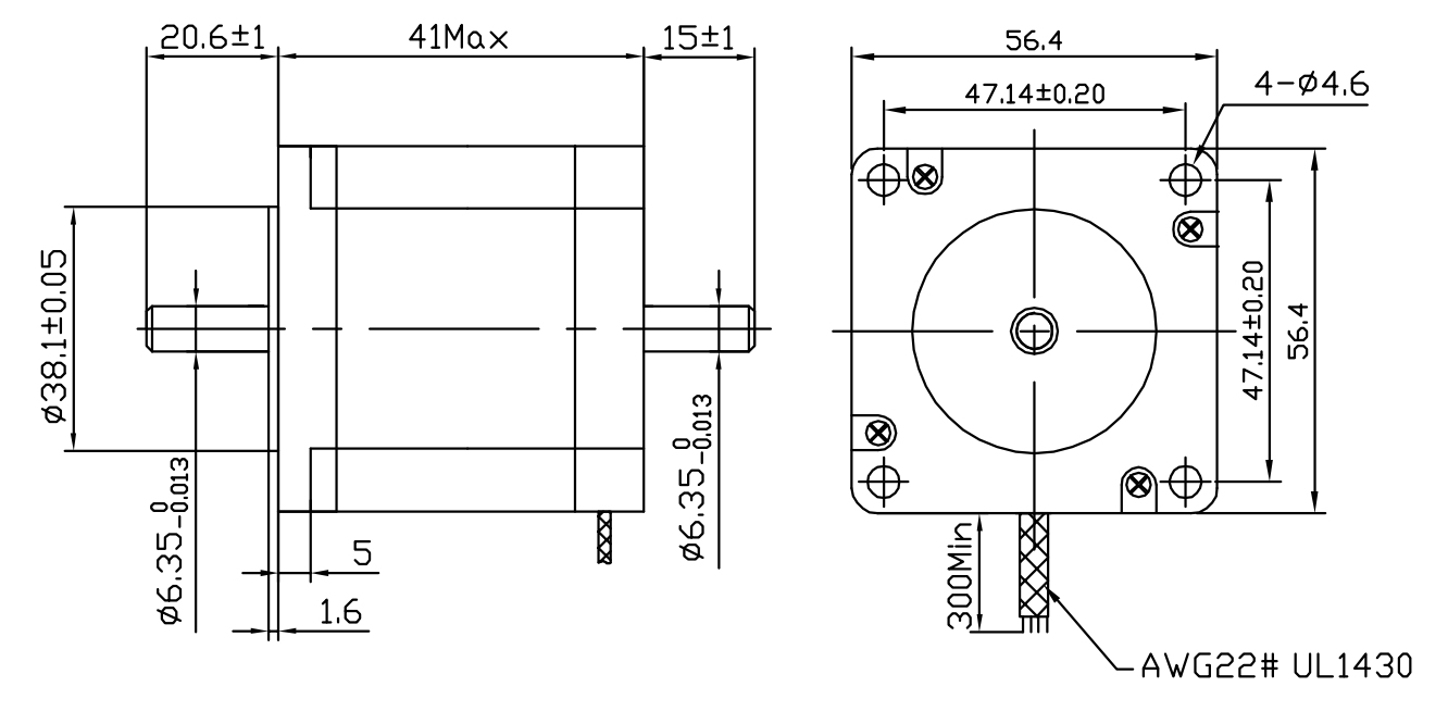
Гибридный шаговый двигатель Fulling Motor FL57STH41-2804B-6,35 имеет 4 вывода для подключения и следующие электромеханические характеристики:
| Тип включения обмоток | Момент удержания, Н⋅м | Ток, А | Сопротивление фазы, Ом | Индуктивность фазы, мГн |
| биполярное | 0,55 | 2,8 | 0,7 | 1,4 |
Двигатель имеет стандарный типоразмер NEMA 23, два вала диаметром 6,35 мм. Его механические характеристики приведены в таблице ниже:
| Длина корпуса, мм | Угол шага, град. | Момент инерции ротора, г⋅см2 | Масса, кг | Радиальная нагрузка, H | Аксиальная нагрузка, H |
| 41 | 1,8 | 131 | 0,45 | 75 | 15 |
|
Бренд
|
FULLING MOTOR |
