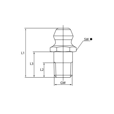
Основные характеристики:
- тип: H1 A/180°;
- стандарт: DIN 71412, ГОСТ 19853-74 (1.11 Ц6);
- резьба (GW): М8×1 метрическая;
- общая длина (L1): 15 мм;
- длина резьбовой части (L2): 5 мм;
- длина хвостовика (L3): 5,5 мм;
- размер под ключ (SW): 9 мм.
|
Бренд
|
UMETA |
|
Длина, мм
|
15 |
|
Высота, мм
|
15 |
|
Ширина, мм
|
17,5 |