Однорядные конические роликоподшипники ARTNC способны выдерживать комбинированные радиальные и осевые нагрузки, обеспечивая при этом минимальное трение в процессе работы. Конструкция подшипника позволяет отдельно устанавливать внутреннее кольцо с роликами и сепаратором от наружного кольца.
Благодаря разборной конструкции и взаимозаменяемости компонентов, монтаж, демонтаж и техническое обслуживание значительно упрощаются. Для создания жёсткого подшипникового узла можно использовать два однорядных конических роликоподшипника в сопряжении, применив преднатяг.
Преимущества:
- высокая радиальная и осевая грузоподъёмность;
- выдерживают осевые нагрузки в одном направлении;
- низкий коэффициент трения и длительный срок службы;
- разъёмные и взаимозаменяемые компоненты.
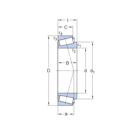
Размеры:
- диаметр отверстия (d): 60 мм;
- наружный диаметр (D): 100 мм;
- общая ширина (T): 30 мм;
- диаметр заплечика внутреннего кольца (d1): ≈80.5 мм;
- ширина внутреннего кольца (B): 30 мм;
- ширина наружного кольца (C): 23 мм;
- размер фаски внутреннего кольца (r1,2): мин. 1.5 мм;
- размер фаски наружного кольца (r3,4): мин. 1.5 мм;
- расстояние от торца до точки давления (a): 23.2 мм.
Размеры опоры:
- диаметр опоры на валу (da): макс. 68 мм;
- диаметр опоры на валу (db): мин. 69 мм;
- диаметр опоры корпуса (Da): мин. 88 мм;
- диаметр опоры корпуса (Da): макс. 92 мм;
- диаметр опоры корпуса (Db): мин. 96 мм;
- минимальная ширина необходимого пространства в корпусе на большом торце (Ca): мин. 5 мм;
- минимальная ширина необходимого пространства в корпусе на малом торце (Cb): мин. 7 мм;
- радиус галтели вала (ra): макс. 1.5 мм;
- радиус галтели корпуса (rb): макс. 1.5 мм.
Расчётные данные:
- номинальная динамическая грузоподъёмность (C): 144 кН;
- номинальная статическая грузоподъёмность (C0): 170 кН;
- предел усталостной прочности (Pu): 19.6 кН;
- номинальная частота вращения: 5 300 об/мин;
- предельная частота вращения: 6 300 об/мин;
- предельное значение (e): 0.4;
- расчётный коэффициент (Y): 1.5;
- расчётный коэффициент (Y0): 0.8.
|
Бренд
|
ArtNC |
|
Сепаратор
|
стальной |
|
Уплотнение
|
без уплотнений (открытый) |
|
Зазор / преднатяг
|
CN - нормальный зазор |
|
Внутренний диаметр, мм
|
60 |
|
Наружный диаметр, мм
|
100 |
|
Ширина, мм
|
30 |
|
Вес, кг
|
0.9 |