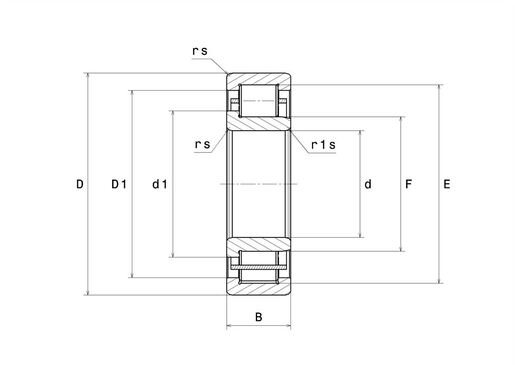
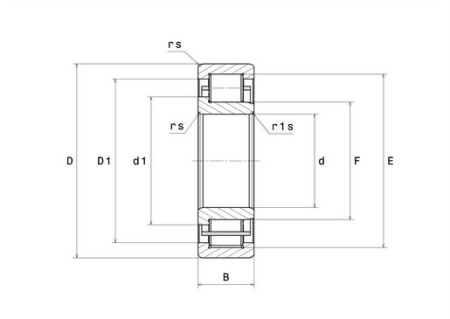
Цилиндрический подшипник NJ2207 произведен одним из ведущих мировых лидеров отрасли - компанией NTN.
Характеристики:
- внутренний диаметр - 35 мм
- наружный диаметр - 72 мм
- ширина - 23 мм
- масса изделия - 0,43 кг
Гарантийный срок - 12 месяцев с момента покупки (при обязательном соблюдении технологии монтажа, режима и условий эксплуатации, предусмотренных производителем).
|
Бренд
|
NTN |
|
Сепаратор
|
стальной |
|
Уплотнение
|
без уплотнений (открытый) |
|
Зазор / преднатяг
|
CN - нормальный зазор |
|
Внутренний диаметр, мм
|
35 |
|
Наружный диаметр, мм
|
72 |
|
Ширина, мм
|
23 |
|
Вес, кг
|
0.43 |