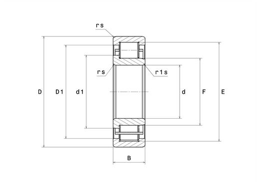
Размеры:
- марка: NTN;
- внутренний диаметр (d): 45 мм;
- наружный диаметр (D): 85 мм;
- ширина подшипника/внутреннего кольца (B): 23 мм;
- диаметр описанной окружности роликов (E): 75 мм;
- диаметр вписанной окружности роликов (F): 55 мм;
- наружный диаметр буртика внутреннего кольца (d1): 59 мм;
- минимальный радиус галтели (rs): 1,1 мм;
- минимальный радиус галтели (r1s): 1,1 мм;
- класс радиального зазора: CN;
- вес: 0,57 кг.
Производительность продукта:
- динамическая грузоподъёмность (C): 68 кН;
- статическая грузоподъёмность (C0): 68 кН;
- предельная усталостная нагрузка (Cu): 8,25 кН;
- предельная скорость при смазывании маслом (N lim): 9000 об/мин;
- предельная скорость при смазывании консистентной смазкой (N lim): 7600 об/мин;
- мин. рабочая температура (Tmin): -40 °C;
- макс. рабочая температура (Tmax): 120 °C.
Размеры окружающих деталей:
- минимальный диаметр буртика вала (da min): 51,5 мм;
- максимальный диаметр уступа малого торца (da max): 54 мм;
- мин. диаметр буртика корпуса (dc min): 61 мм;
- максимальный диаметр буртика корпуса (Da max): 78,5 мм;
- максимальный радиус галтели (ra max): 1 мм.
|
Бренд
|
NTN |
|
Внутренний диаметр, мм
|
45 |
|
Наружный диаметр, мм
|
85 |
|
Ширина, мм
|
23 |