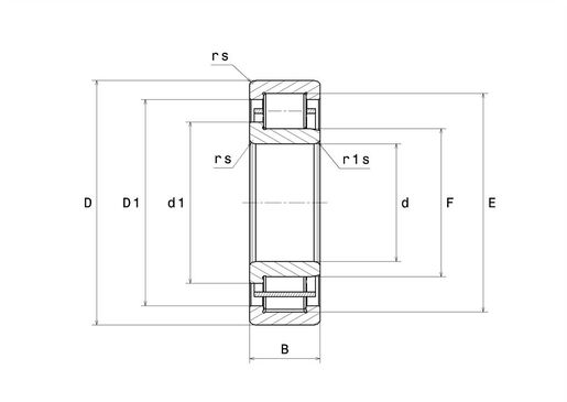
Размеры:
- марка: NTN;
- внутренний диаметр (d): 50 мм;
- наружный диаметр (D): 90 мм;
- ширина подшипника/внутреннего кольца (B): 23 мм;
- диаметр описанной окружности роликов (E): 80,4 мм;
- диаметр вписанной окружности роликов (F): 60,4 мм;
- наружный диаметр буртика внутреннего кольца (d1): 64,6 мм;
- минимальный радиус галтели (rs): 1,1 мм;
- минимальный радиус галтели (r1s): 1,1 мм;
- класс радиального зазора: CN;
- вес: 0,6 кг.
Производительность продукта:
- динамическая грузоподъёмность (C): 71 кН;
- статическая грузоподъёмность (C0): 73,5 кН;
- предельная усталостная нагрузка (Cu): 9 кН;
- предельная скорость при смазывании маслом (N lim): 8100 об/мин;
- предельная скорость при смазывании консистентной смазкой (N lim): 6900 об/мин;
- мин. рабочая температура (Tmin): -40 °C;
- макс. рабочая температура (Tmax): 120 °C.
Размеры окружающих деталей:
- минимальный диаметр буртика вала (da min): 56,5 мм;
- максимальный диаметр уступа малого торца (da max): 58 мм;
- мин. диаметр буртика корпуса (dc min): 67 мм;
- максимальный диаметр буртика корпуса (Da max): 83,5 мм;
- максимальный радиус галтели (ra max): 1 мм.
|
Бренд
|
NTN |
|
Сепаратор
|
стальной |
|
Уплотнение
|
без уплотнений (открытый) |
|
Зазор / преднатяг
|
CN - нормальный зазор |
|
Внутренний диаметр, мм
|
50 |
|
Наружный диаметр, мм
|
90 |
|
Ширина, мм
|
23 |
|
Вес, кг
|
0.605 |