Однорядные радиальные шарикоподшипники с уплотнениями или защитными шайбами особенно универсальны, отличаются низким трением, а их конструкция оптимизирована для обеспечения низкого уровня шума и вибрации, что позволяет им работать с высокими частотами вращения.
Они воспринимают радиальные и осевые нагрузки в обоих направлениях, отличаются простотой монтажа и меньшей потребностью в техобслуживании по сравнению с многими подшипниками других типов.
Встроенные уплотнения могут значительно увеличить срок службы подшипника, удерживая смазочный материал внутри и не допуская попадания в него загрязняющих веществ из окружающей среды.
- встроенное уплотнение увеличивает срок службы подшипника;
- простая, универсальная и прочная конструкция;
- низкий коэффициент трения и высокие частоты вращения;
- выдерживают радиальные и осевые нагрузки в обоих направлениях;
- не требуют сложного техобслуживания.
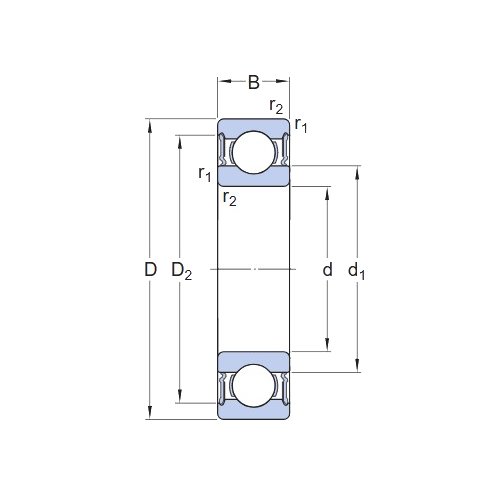
Размеры:
- диаметр отверстия (d): 20 мм;
- наружный диаметр (D): 32 мм;
- ширина (B): 7 мм;
- диаметр заплечика (d1): ≈23.85 мм;
- диаметр выточки (D2): ≈29.4 мм;
- размер фаски (r1,2): мин. 0.6 мм.
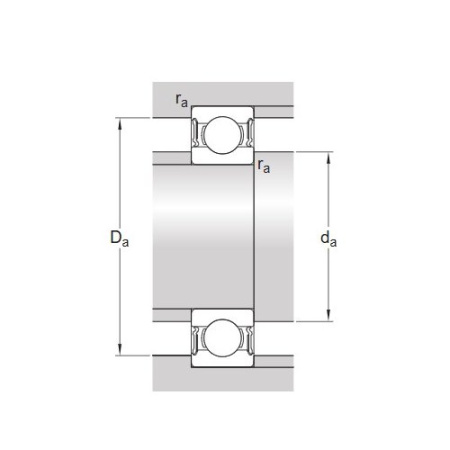
Размеры опоры:
- диаметр опоры на валу (da): мин. 22 мм;
- диаметр опоры на валу (da): макс. 23.6 мм;
- диаметр опоры корпуса (Da): макс. 30 мм;
- радиус галтели вала или корпуса (ra): макс. 0.3 мм.
Расчётные данные:
- номинальная динамическая грузоподъёмность (C): 4.03 кН;
- номинальная статическая грузоподъёмность (C0): 2.32 кН;
- предел усталостной прочности (Pu): 0.104 кН;
- предельная частота вращения: 13 000 об/мин;
- коэффициент минимальной нагрузки (kr): 0.015;
- расчётный коэффициент (f0): 14.5.
|
Бренд
|
ArtNC |
|
Сепаратор
|
стальной |
|
Уплотнение
|
контактные уплотнения с двух сторон |
|
Зазор / преднатяг
|
CN - нормальный зазор |
|
Внутренний диаметр, мм
|
20 |
|
Наружный диаметр, мм
|
32 |
|
Ширина, мм
|
7 |
|
Вес, кг
|
0.02 |