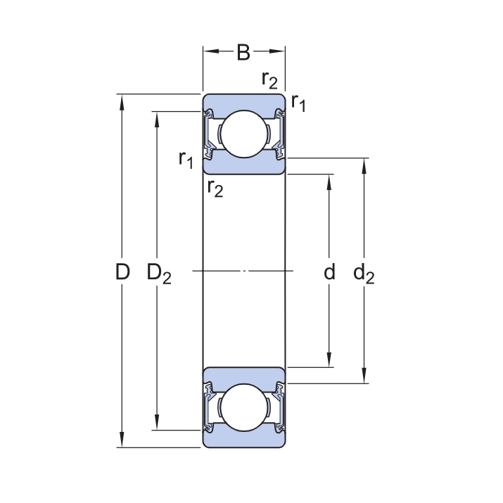
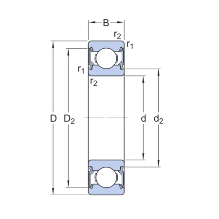
Размеры
| d | 75 mm | Диаметр отверстия |
|---|---|---|
| D | 95 mm | Наружный диаметр |
| B | 10 mm | Ширина |
| d1 | ≈ 81.7 mm | Диаметр заплечика |
| D1 | ≈ 88.7 mm | Диаметр заплечика |
| D2 | ≈ 90.7 mm | Диаметр выточки |
| r1,2 | min. 1.3 mm | Размер фаски |
Размеры опоры
| da | min. 78.2 mm | Диаметр опоры на валу |
|---|---|---|
| Da | max. 91.8 mm | Диаметр опоры корпуса |
| ra | max. 0.6 mm | Радиус галтели вала или корпуса |
Расчётные данные
| Номинальная динамическая грузоподъёмность | C | 12.5 kN |
|---|---|---|
| Номинальная статическая грузоподъёмность | C0 | 10.8 kN |
| Предел усталостной прочности | Pu | 0.585 kN |
| Номинальная частота вращения | 14 000 r/min | |
| Предельная частота вращения | 8 500 r/min | |
| Коэффициент минимальной нагрузки | kr | 0.015 |
| Расчётный коэффициент | f0 | 13.4 |
Допуск
| Допуск по размерам | Normal |
| Радиальное биение | Normal |
|
Бренд
|
SKF |
|
Сепаратор
|
стальной |
|
Уплотнение
|
без уплотнений (открытый) |
|
Зазор / преднатяг
|
CN - нормальный зазор |
|
Внутренний диаметр, мм
|
75 |
|
Наружный диаметр, мм
|
95 |
|
Ширина, мм
|
10 |
|
Вес, кг
|
0.15 |