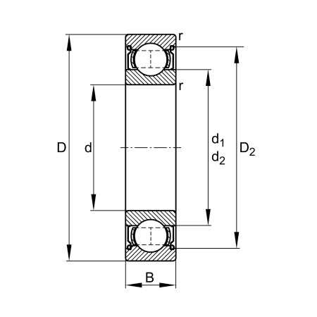
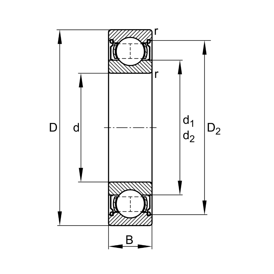
Основные размеры и рабочие характеристики:
- диаметр отверстия: 60 мм;
- наружный диаметр: 95 мм;
- ширина: 18 мм;
- динамическая грузоподъемность, радиальная: 31.500 Н;
- статическая грузоподъемность, радиальная: 23.200 Н;
- предел усталостной нагрузки, радиальный: 1.230 Н;
- предельная частота вращения: 8.500 1/min;
- номинальная тепловая частота вращения: 7.600 1/min;
- вес: 0,42 кг.
Присоединительные размеры:
- мин. диаметр заплечика вала: 66 мм;
- макс. диаметр заплечика корпуса: 89 мм;
- макс. радиус галтели: 1 мм.
Габаритные размеры:
- минимальный размер фаски: 1,1 мм;
- диаметр заплечика для наружного кольца: 83,88 мм;
- диаметр кромки у наружного кольца: 85,98 мм;
- диаметр заплечика внутреннего кольца: 71,325 мм.
Диапазон температур:
- мин. рабочая температура: -20 °C °С;
- макс. рабочая температура: 120 °C °С.
Коэффициенты для расчета:
- коэффициент для расчета: 15,6.
|
Бренд
|
FAG |
|
Сепаратор
|
стальной |
|
Уплотнение
|
стальные пластины с двух сторон |
|
Зазор / преднатяг
|
CN - нормальный зазор |
|
Внутренний диаметр, мм
|
60 |
|
Наружный диаметр, мм
|
95 |
|
Ширина, мм
|
18 |
|
Вес, кг
|
0.412 |