Подшипник SNR 6218EE является высококачественным радиальным шариковым подшипником, предназначенным для широкого применения в различных отраслях промышленности. Он обеспечивает надежную работу в условиях высоких нагрузок и позволяет эффективно снижать трение и износ в механизмах. Подшипник отличается долговечностью и стабильной работой в различных условиях эксплуатации. Используется в разнообразных машинных и механических системах для поддержания эффективного и надежного функционирования движущихся частей.
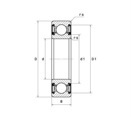
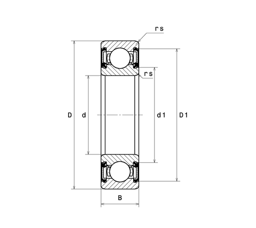
Размеры:
- марка: SNR;
- d - внутренний диаметр: 90 мм;
- D - наружный диаметр: 160 мм;
- B - ширина подшипника/внутреннего кольца: 30 мм;
- d1 - наружный диаметр внутреннего кольца: 106,4 мм;
- D1 - внутренний диаметр наружного кольца: 144,6 мм;
- rs - минимальный радиус галтели: 2 мм;
- класс радиального зазора: CN;
- вес: 2,25 кг.
Производительность продукта:
- C - динамическая грузоподъёмность: 101 кН;
- C0 - статическая грузоподъёмность: 71,6 кН;
- Cu - предельная усталостная нагрузка: 2,9 кН;
- f0 - коэффициент: 14,5;
- N lim - предельная частота вращения: 2700 об/мин;
- Tmin - мин. рабочая температура: -30 °C;
- Tmax - макс. рабочая температура: 120 °C.
Частоты подшипников:
- BPFO - собственная частота наружного кольца (60 об/мин): 4,111 Гц;
- BPFI - собственная частота внутреннего кольца (60 об/мин): 5,889 Гц;
- FTF - собственная частота сепаратора (60 об/мин): 0,411 Гц;
- BSF - собственная частота беговых дорожек (60 об/мин): 5,447 Гц.
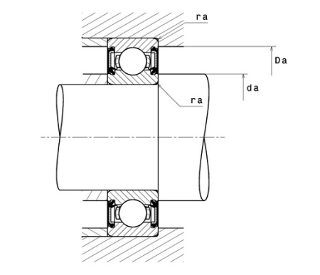
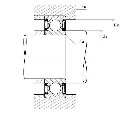
Размеры окружающих деталей:
- da min - минимальный диаметр буртика вала: 99 мм;
- da max - максимальный диаметр буртика вала: 106,4 мм;
- Da max - максимальный диаметр буртика корпуса: 151 мм;
- ra max - максимальный радиус галтели вала и корпуса: 2 мм.
|
Бренд
|
SNR |
|
Сепаратор
|
стальной |
|
Уплотнение
|
контактные уплотнения с двух сторон |
|
Зазор / преднатяг
|
CN - нормальный зазор |
|
Внутренний диаметр, мм
|
90 |
|
Наружный диаметр, мм
|
160 |
|
Ширина, мм
|
30 |
|
Вес, кг
|
2.25 |