Подшипник SNR 6210EE — это радиальный шариковый подшипник с резиновым уплотнением, предназначенный для обеспечения надежной работы в различных механизмах, таких как автомобильные двигатели, вентиляторы и насосы. Он обеспечивает высокую скорость вращения и радиальную нагрузку, что делает его идеальным для использования в промышленности и автотранспортных системах.
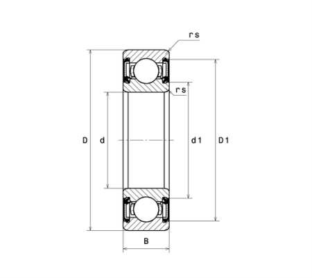
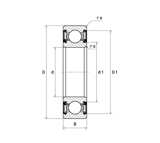
Размеры изделия:
- марка: SNR;
- d - внутренний диаметр: 50 мм;
- D - наружный диаметр: 90 мм;
- B - ширина подшипника/внутреннего кольца: 20 мм;
- d1 - наружный диаметр внутреннего кольца: 60 мм;
- D1 - внутренний диаметр наружного кольца: 80,1 мм;
- rs - минимальный радиус галтели: 1,1 мм;
- класс радиального зазора: CN;
- вес: 0,46 кг.
Производительность продукта:
- C - динамическая грузоподъёмность: 37 кН;
- C0 - статическая грузоподъёмность: 23,2 кН;
- Cu - предельная усталостная нагрузка: 1,06 кН;
- f0 - коэффициент: 14,4;
- N lim - предельная частота вращения: 4800 об/мин;
- Tmin - мин. рабочая температура: -30 °C;
- Tmax - макс. рабочая температура: 120 °C.
Частоты подшипников:
- BPFO - собственная частота наружного кольца (60 об/мин): 4,093 Гц;
- BPFI - собственная частота внутреннего кольца (60 об/мин): 5,907 Гц;
- FTF - собственная частота сепаратора (60 об/мин): 0,409 Гц;
- BSF - собственная частота беговых дорожек (60 об/мин): 5,33 Гц.
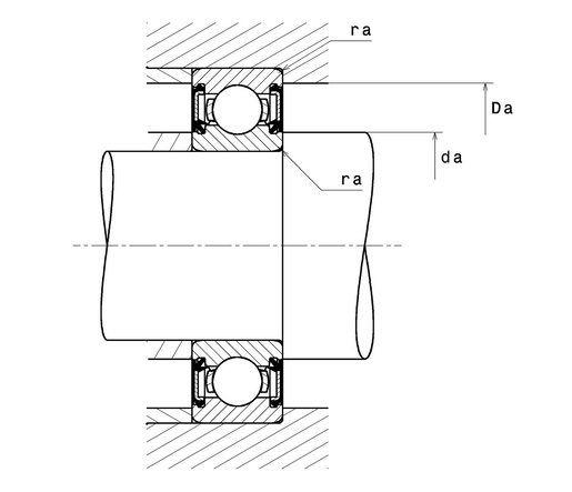
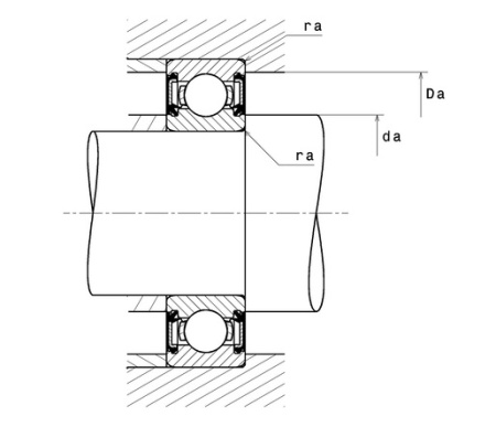
Размеры окружающих деталей:
- da min - минимальный диаметр буртика вала: 56,5 мм;
- da max - максимальный диаметр буртика вала: 60 мм;
- Da max - максимальный диаметр буртика корпуса: 83,5 мм;
- ra max - максимальный радиус галтели вала и корпуса: 1 мм.
Данный подшипник обеспечивает высокую надежность, долговечность и отличную производительность при работе с радиальной нагрузкой и высокой скоростью вращения.
|
Бренд
|
SNR |
|
Сепаратор
|
стальной |
|
Уплотнение
|
контактные уплотнения с двух сторон |
|
Зазор / преднатяг
|
CN - нормальный зазор |
|
Внутренний диаметр, мм
|
50 |
|
Наружный диаметр, мм
|
90 |
|
Ширина, мм
|
20 |
|
Вес, кг
|
0.46 |