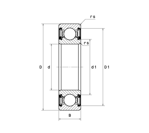
Размеры изделия:
- марка: SNR;
- внутренний диаметр (d): 40 мм;
- наружный диаметр (D): 90 мм;
- ширина подшипника/внутреннего кольца (B): 23 мм;
- наружный диаметр внутреннего кольца (d1): 54,4 мм;
- внутренний диаметр наружного кольца (D1): 77,2 мм;
- минимальный радиус галтели (rs): 1,5 мм;
- класс радиального зазора: C3;
- вес: 0,65 кг.
Производительность продукта:
- динамическая грузоподъёмность (C): 43 кН;
- статическая грузоподъёмность (C0): 24,1 кН;
- предельная усталостная нагрузка (Cu): 1,1 кН;
- коэффициент (f0): 13.2 кН;
- предельная частота вращения (N lim): 5300 об/мин;
- мин. рабочая температура (Tmin): -30 °C;
- макс. рабочая температура (Tmax): 120 °C.
Частоты подшипников:
- частота вращения по внешнему кольцу (60 об/мин) (BPFO): 3,079 Гц;
- частота вращения внутреннему кольцу (60 об/мин) (BPFI): 4,921 Гц;
- частота вращения тела качения (60 об/мин) (BSF): 4,113 Гц;
- частота прохождения контакта тела качения (60 об/мин) (BRF): 2,057 Гц;
- частота вращения сепаратора (60 об/мин) (FTF): 0,385 Гц.
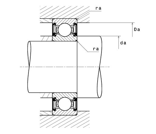
Размеры окружающих деталей:
- минимальный диаметр буртика вала (da min): 48 мм;
- максимальный диаметр буртика корпуса (Da max): 82 мм;
- максимальный радиус галтели вала и корпуса (ra max): 1,5 мм.
|
Бренд
|
SNR |
|
Сепаратор
|
стальной |
|
Уплотнение
|
контактные уплотнения с двух сторон |
|
Зазор / преднатяг
|
C3 - зазор больше нормального |
|
Внутренний диаметр, мм
|
40 |
|
Наружный диаметр, мм
|
90 |
|
Ширина, мм
|
23 |
|
Вес, кг
|
0.64 |