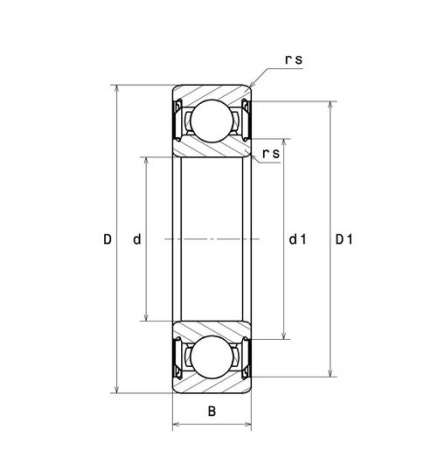
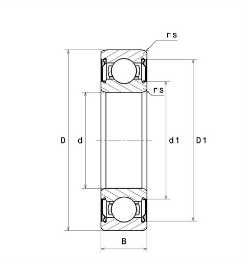
Размеры изделия:
- марка: NTN;
- внутренний диаметр (d): 80 мм;
- наружный диаметр (D): 140 мм;
- ширина подшипника/внутреннего кольца (B): 26 мм;
- минимальный радиус галтели (rs): 2 мм;
- класс радиального зазора: CM;
- вес: 1,4 кг.
Производительность продукта:
- динамическая грузоподъёмность (C): 80,5 кН;
- статическая грузоподъёмность (C0): 53 кН;
- предельная усталостная нагрузка (Cu): 3,95 кН;
- коэффициент (f0): 14.6 кН;
- предельная скорость при смазывании консистентной смазкой (N lim): 4500 об/мин;
- мин. рабочая температура (Tmin): -40 °C;
- макс. рабочая температура (Tmax): 150 °C.
Размеры окружающих деталей:
- минимальный диаметр буртика вала (da min): 89 мм;
- максимальный диаметр буртика корпуса (Da max): 131 мм;
- максимальный радиус галтели вала и корпуса (ra max): 2 мм.
|
Бренд
|
NTN |
|
Сепаратор
|
стальной |
|
Уплотнение
|
стальные пластины с двух сторон |
|
Зазор / преднатяг
|
CM - нормальный зазор с зауженным допуском |
|
Внутренний диаметр, мм
|
80 |
|
Наружный диаметр, мм
|
140 |
|
Ширина, мм
|
26 |
|
Вес, кг
|
1.39 |