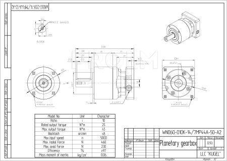
Планетарный прецизионный редуктор ARTNC WN060/010:1-14/FR-LS-40-2-B-5-06-A применяется в оборудовании с большими скоростями вращения, имеет высокий КПД, длительный срок службы, простоту монтажа.
Характеристики:
- тип редуктора: планетарный;
- передаточное отношение: 1:10;
- тип выходного вала: со шпонкой;
- размер входного фланца: 60 мм;
- диаметр входного вала: 14 мм;
- размер выходного фланца: 60 мм;
- диаметр выходного вала: 14 мм;
- номинальный крутящий момент на выходном валу редуктора: 25 Н·м;
- форма выходного фланца: круглый;
- угловой люфт (arcmin): не более 8.
Сферы применения
- станкостроение;
- общее машиностроение;
- автоматизация.
|
Бренд
|
ArtNC |
|
Передаточное число редуктора
|
10 |
|
Входной вал, мм
|
14 |
|
Выходной фланец, мм
|
60 |
|
Длина, мм
|
60 |
|
Высота, мм
|
60 |
|
Ширина, мм
|
108 |
|
Вес, кг
|
0.99 |