Высокоточные планетарные прецизионные соосные редукторы серии SB отличаются от конкурентов более точным позиционированием. При P0 угловой люфт на некоторых сериях минимальный (до 1 угловой минуты), что позволяет их использовать в высокоточном оборудовании с большими скоростями вращения. Так же данной серии присущи высокий КПД (около 97%), длительный срок службы (в зависимости от режима работы - до 30000 часов), простота монтажа.
Аналог APEX серий PAII060 и AB060, Neugart серии PSBN 0620, Shimpo серии VRB060.
Характеристики:
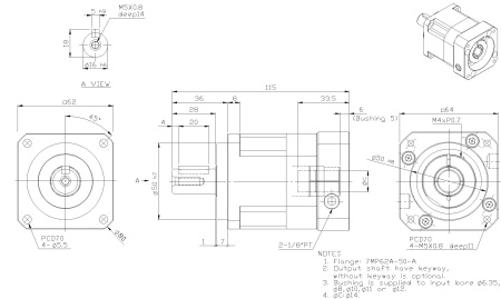
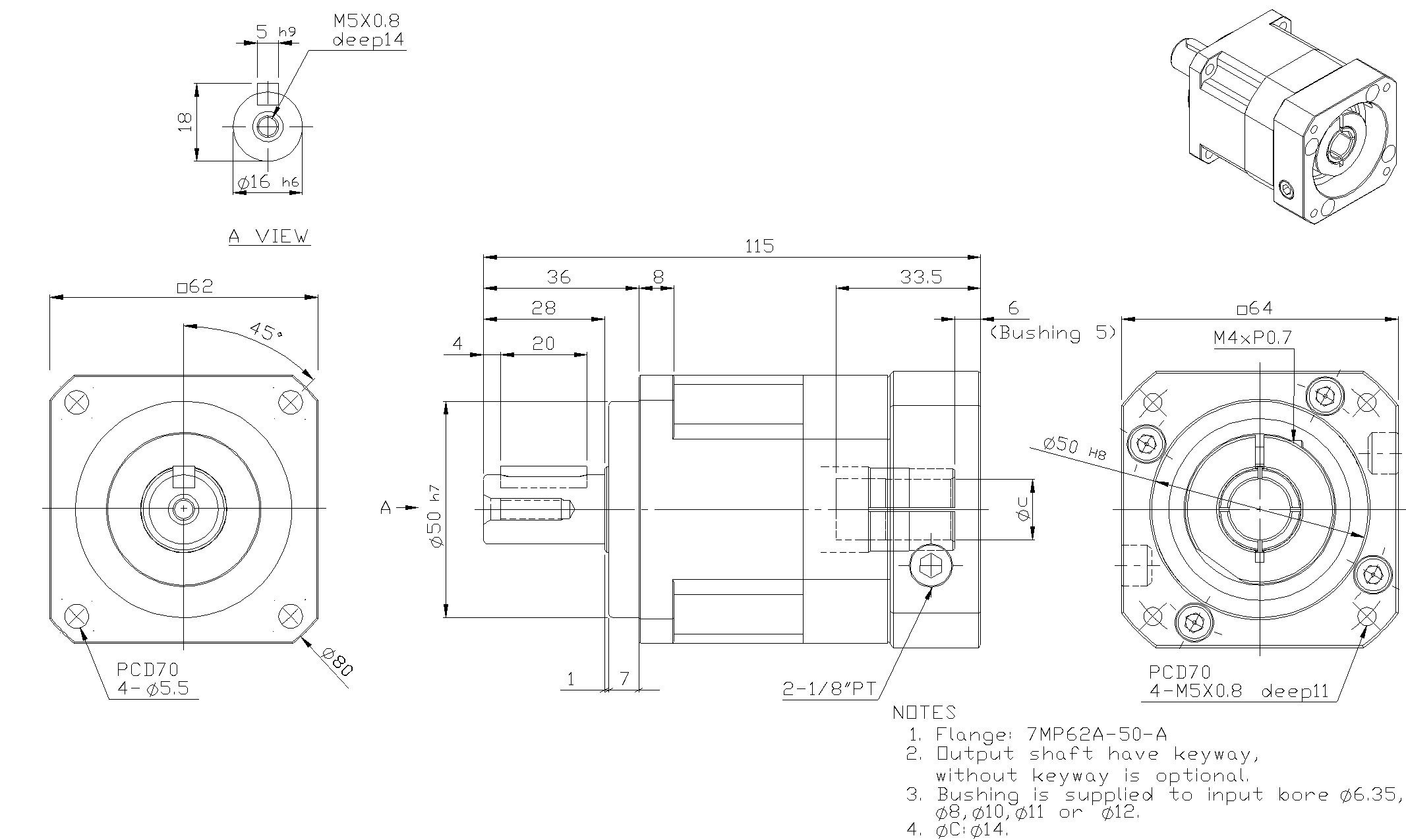
- серия редуктора: SB;
- типоразмер: 62;
- количество ступеней: 1;
- передаточное отношение: 5:1;
- совместимость с двигателем: 400 W (PCD=70, d=14);
- номинальный момент на выходном валу редуктора (Нм): 48;
- угловой люфт (arcmin): не более 7".
Сферы применения:
- станкостроение;
- общее машиностроение;
- робототехника.
|
Бренд
|
LIMING |
|
Передаточное число редуктора
|
5 |
|
Входной вал, мм
|
14 |
|
Выходной фланец, мм
|
62 |
|
Длина, мм
|
62 |
|
Высота, мм
|
62 |
|
Ширина, мм
|
123 |
|
Вес, кг
|
1.28 |