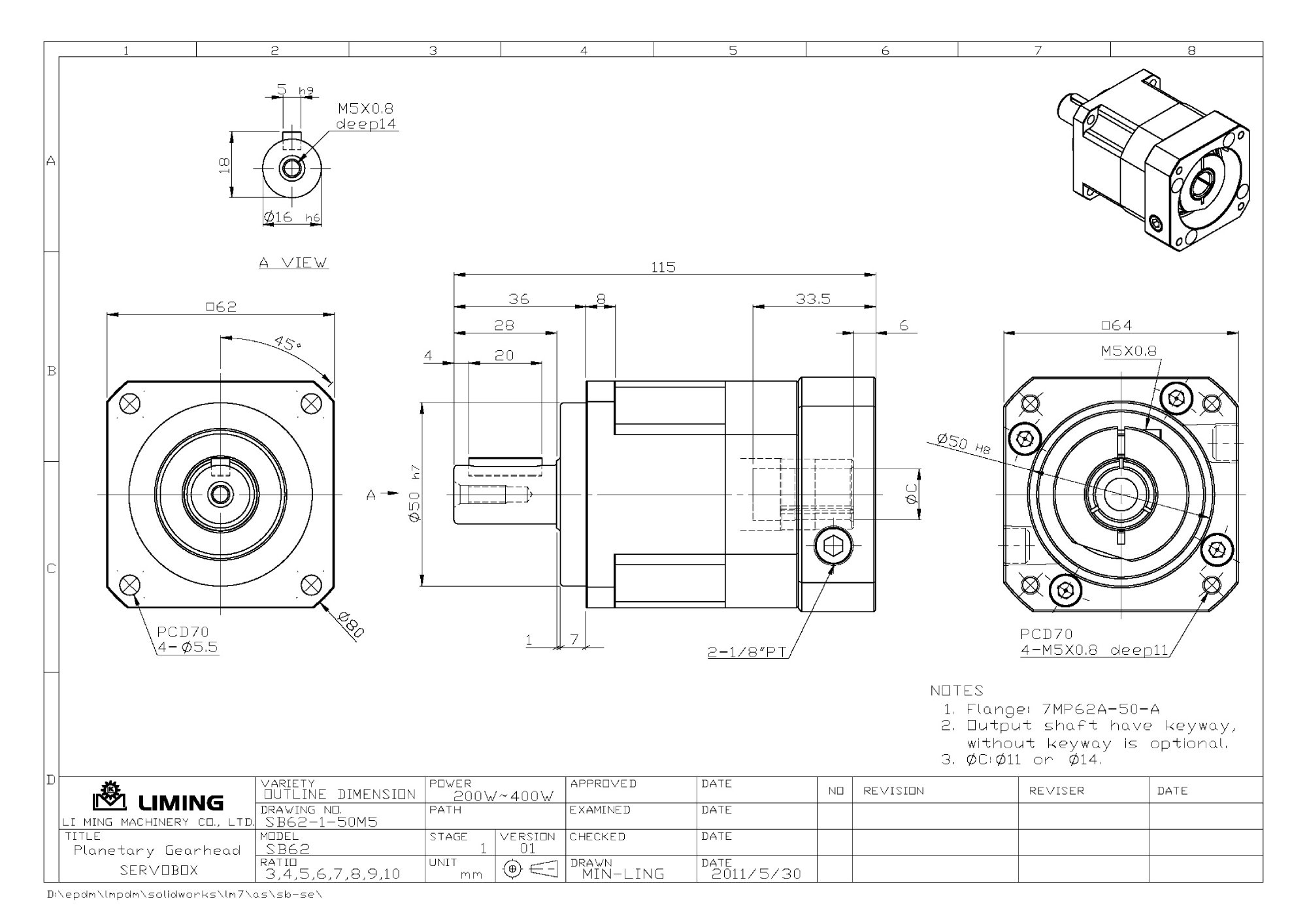
Планетарный редуктор LIMING SB062-010-P2-14/7MP62A-50-A — это механическое устройство, используемое для передачи и преобразования вращательного движения с изменением скорости и крутящего момента. Его конструкция отличается от других редукторов благодаря наличию планетарной передачи, где несколько шестерен работают совместно в специфической кинематической схеме.
Планетарный редуктор отличается высоким коэффициентом передачи при компактных размерах. Это достигается за счет того, что несколько планетарных шестерен одновременно распределяют нагрузку, что увеличивает его механическую прочность и равномерность распределения сил. Крутящий момент увеличивается, а скорость вращения может снижаться в зависимости от конфигурации.
Преимущество:
- компактность и высокая мощность: планетарные редукторы обладают высоким отношением мощности к размеру, что делает их компактными и эффективными;
- равномерное распределение нагрузки: благодаря множеству взаимодействующих шестерен нагрузка распределяется равномерно;
- высокая точность и плавность хода;
- долговечность и надежность благодаря устойчивости к механическим повреждениям.
Планетарные редукторы находят применение в различных отраслях благодаря своим уникальным характеристикам:
- промышленность и машиностроение;
- автомобильная и транспортная техника;
- возобновляемые источники энергии;
- аэрокосмическая промышленность;
- медицинское оборудование.
Характеристики:
- тип редуктора: планетарный;
- передаточное отношение: 10;
- тип выходного вала: со шпонкой;
- размер входного фланца: 54 мм;
- диаметр входного вала: 14 мм;
- размер выходного фланца: 62 мм;
- диаметр выходного вала: 16 мм;
- номинальный крутящий момент на выходном валу редуктора: 43 Н*м;
- форма выходного фланца: квадратный;
- угловой люфт: 7 (arcmin).
Гарантийный срок - 12 месяцев с момента покупки (при обязательном соблюдения технологии монтажа, режима и условий эксплуатации, предусмотренных производителем).
|
Бренд
|
LIMING |
|
Передаточное число редуктора
|
10 |
|
Входной вал, мм
|
14 |
|
Выходной фланец, мм
|
62 |
|
Длина, мм
|
62 |
|
Высота, мм
|
62 |
|
Ширина, мм
|
123 |
|
Вес, кг
|
1.28 |