Высокоточные планетарные прецизионные соосные редукторы серии SB отличаются от конкурентов более точным позиционированием. При P0 угловой люфт на некоторых сериях минимальный (до 1 угловой минуты), что позволяет их использовать в высокоточном оборудовании с большими скоростями вращения. Так же данной серии присущи высокий КПД (около 97%), длительный срок службы (в зависимости от режима работы - до 30000 часов), простота монтажа.
Аналог APEX серий PAII115 и AB115, Neugart серии PSBN 115, Shimpo серии VRB120 .
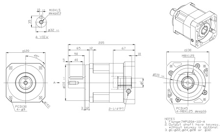
Характеристики:
- серия редуктора: SB;
- типоразмер: 120;
- количество ступеней: 1;
- передаточное отношение: 1:5;
- совместимость с двигателем: 1-2 Кв (фланец 130 мм (PCD=145, d=22);
- номинальный момент на выходном валу редуктора (Нм): 333;
- угловой люфт (arcmin): не более 5.
Сферы применения:
- станкостроение;
- общее машиностроение;
- робототехника.
|
Бренд
|
LIMING |
|
Передаточное число редуктора
|
5 |
|
Входной вал, мм
|
24 |
|
Выходной фланец, мм
|
120 |
|
Длина, мм
|
120 |
|
Высота, мм
|
120 |
|
Ширина, мм
|
213 |
|
Вес, кг
|
8 |