Планетарные редукторы серии AF — это высокоточные и компактные приводы, предназначенные для применения в системах автоматизации, станкостроении, робототехнике и других областях, где требуется высокая нагрузочная способность при малых габаритах.
Корпус изготавливается из прочного алюминиевого сплава или стали с антикоррозионным покрытием, обеспечивая долговечность и устойчивость к внешним воздействиям. Передаточный механизм выполнен по планетарной схеме, что обеспечивает:
- высокий КПД (до 97%);
- низкий уровень люфта;
- равномерное распределение нагрузки между зубчатыми колесами;
- высокую крутящую жесткость;
- компактность при высокой передаваемой мощности.
Все модели имеют фланцевое исполнение для удобства монтажа и совместимы с широким спектром сервоприводов. Передаточные числа подбираются в зависимости от требований к скорости и моменту, а усиленная система подшипников позволяет воспринимать значительные радиальные и осевые нагрузки.
Области применения:
- промышленная автоматизация и робототехника;
- приводы станков с ЧПУ;
- упаковочное и печатное оборудование;
- системы позиционирования и манипуляторы;
- оборудование для обработки материалов.
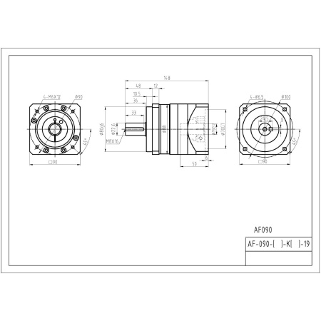
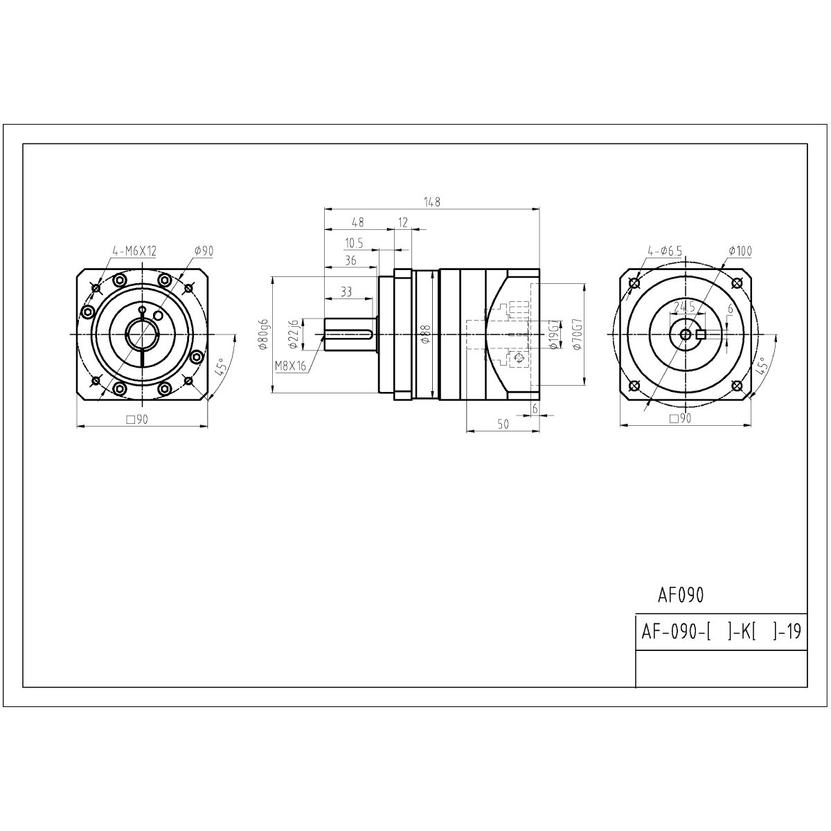
Характеристики AF90-10-S2/19-70-90:
- типоразмер / выходной фланец: 90 мм;
- ступеней: 1;
- передаточное число: 10;
- номинальный выходной момент: 50 Н·м;
- аварийный момент: 150 Н·м;
- номинальная входная скорость: 3000 об/мин;
- макс. входная скорость: 6000 об/мин;
- макс. радиальная нагрузка: 1400 Н;
- макс. осевая нагрузка: 600 Н;
- КПД: 95 %;
- срок службы: 20000 ч;
- момент инерции: 0,75 кг·см2;
- люфт: ≤5 угл. мин;
- крутильная жесткость: 14 Н·м/угл. мин;
- шум: 62 дБ;
- степень защиты: IP65;
- масса: 4,3 кг.
|
Бренд
|
ArtNC |
|
Передаточное число редуктора
|
10 |
|
Входной вал, мм
|
19 |
|
Выходной фланец, мм
|
90 |
|
Вес, кг
|
4.3 |