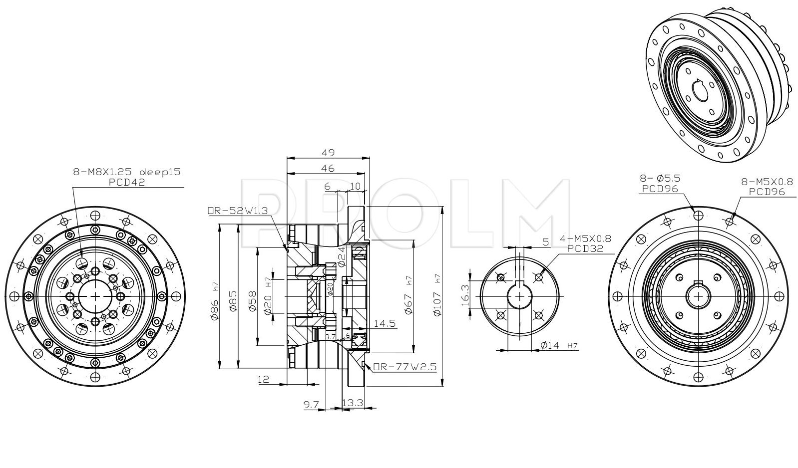
Основное преимущество волнового редуктора ARTNC DSF25-AK-50-14 заключается в минимальном угловом люфте (порядка 30''), компактности размеров и высокой плавности хода.
Характеристики:
- тип редуктора: волновой;
- типоразмер: 25;
- передаточное отношение: 50;
- совместимость с двигателем (диаметр входного вала): 14 мм (фланец изготавливается индивидуально);
- номинальный момент на выходном валу редуктора (Нм): 45 (пиковый - 64 Н*м);
- угловой люфт (arcmin): 30".
Сферы применения:
- станкостроение;
- медицина;
- общее машиностроение;
- робототехника.
|
Бренд
|
ArtNC |
|
Типоразмер
|
25 |
|
Номинальный момент, Нм
|
45 |
|
Передаточное число редуктора
|
50 |
|
Длина, мм
|
107 |
|
Высота, мм
|
107 |
|
Ширина, мм
|
49 |
|
Вес, кг
|
1.6 |