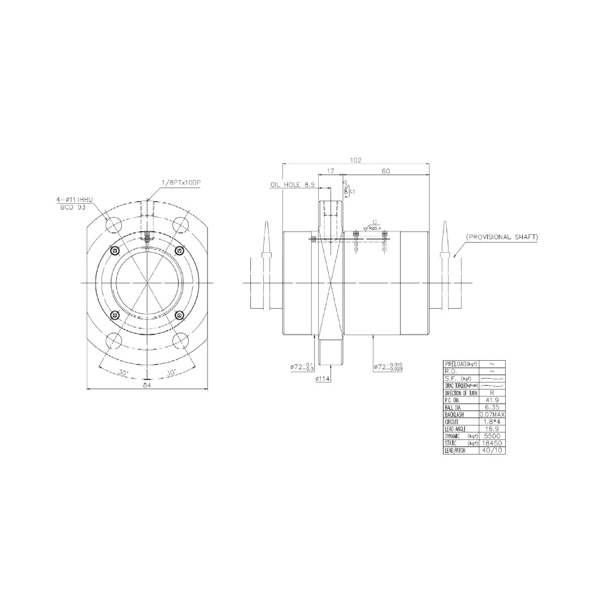
Фланцевая одинарная гайка шариковинтового привода (ШВП) 4R40-40S4-QFSH (BD6.35) производства компании HIWIN с внутренним типом рециркуляции шариков, без предварительного натяга.
Характеристики:
- номинальный диаметр: 40 мм;
- тип резьбы: 4R (4-х заходная правосторонняя);
- шаг резьбы: 40 мм;
- диаметр шарика: 6,35 мм;
- конструкция гайки: S4;
- тип гайки: QFSH;
- длина: 102 мм;
- ширина: 84 мм;
- высота: 114 мм;
- вес: 2,15 кг.
Гайка используется в шариковинтовой передаче, применяемой для высокоточных приводных систем в станках с ЧПУ, измерительных устройствах, модулях линейного перемещения и т.п. Шариковинтовые передачи (ШВП) по сравнению с передачами скольжения имеют ряд преимуществ, таких как: высокий КПД, малые потери на трение, медленный износ, большая осевая жесткость, возможность регулирования осевого зазора и создания предварительного натяга в резьбовом соединении, необходимость в значительно меньшей мощности приводных электродвигателей.
|
Бренд
|
HIWIN |
|
Номинальный диаметр, мм
|
40 |
|
Тип резьбы
|
4R (4-х заходная правосторонняя) |
|
Шаг резьбы, мм
|
40 |
|
Конструкция гайки
|
S4 |
|
Тип гайки
|
QFSH |
|
Длина, мм
|
102 |
|
Диаметр шарика, мм
|
6,35 |
|
Высота, мм
|
114 |
|
Ширина, мм
|
84 |
|
Вес, кг
|
2.15 |