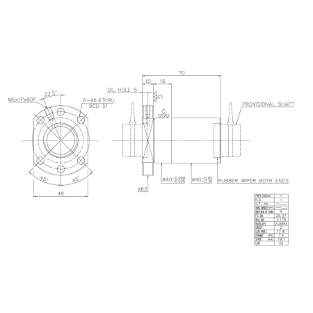
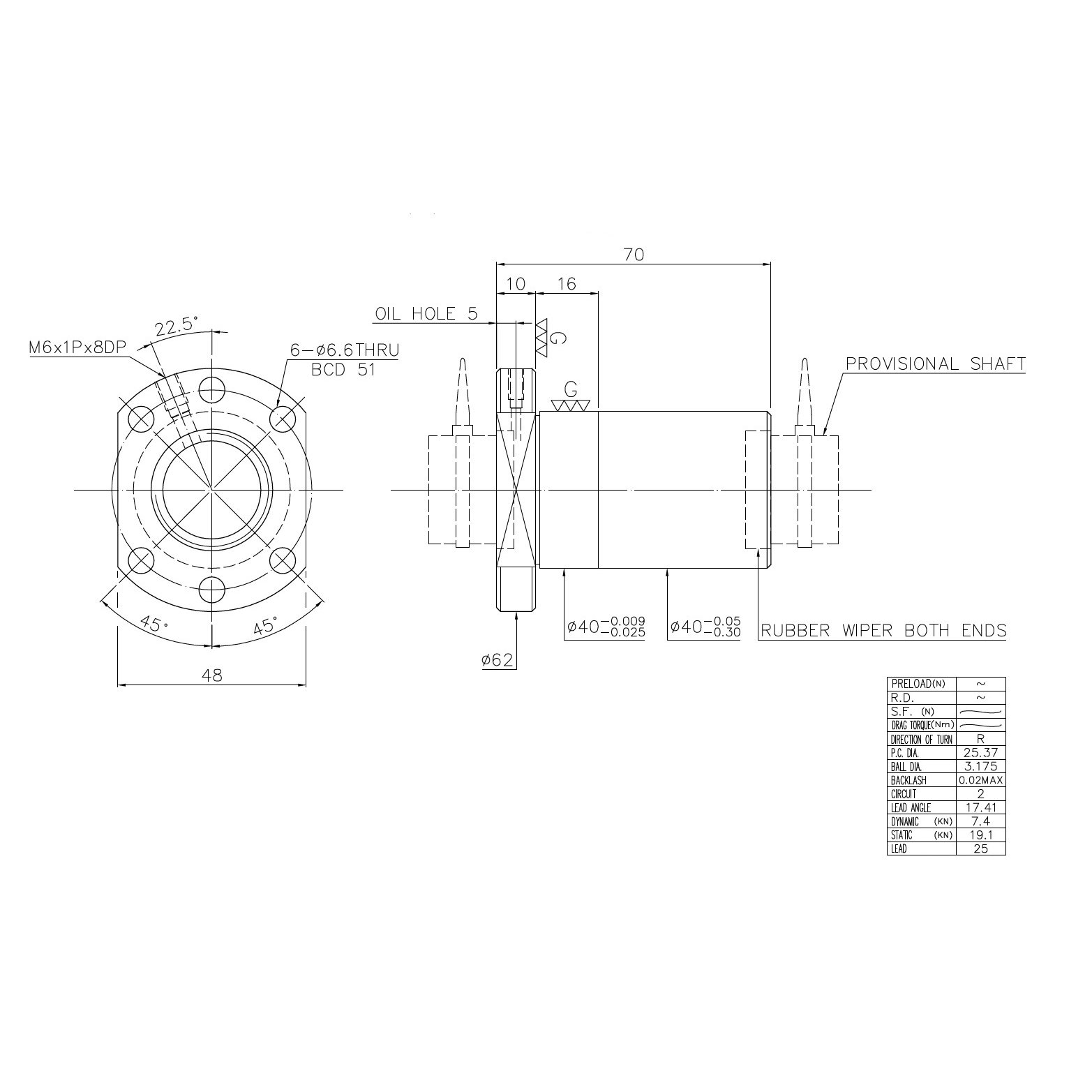
Фланцевая одинарная гайка шариковинтового привода (ШВП) 4R25-25K2-FSCNW производства компании HIWIN с внутренним типом рециркуляции шариков, без предварительного натяга.
Характеристики:
- динамическая нагрузка: 7.4 кН;
- статическая нагрузка: 19.1 кН;
- тип резьбы: правосторонняя;
- диаметр резьбы: 25 мм;
- шаг: 25 мм;
- диаметр шариков: 3.175 мм;
- тип исполнения механизма рециркуляции: K (одноконтурная рециркуляция сквозь тело гайки);
- число циркулирующих контуров: 1;
- число рабочих витков шариковой дорожки: 2;
- зазор: 0.02 max.
Обозначение гайки ШВП 4R25-25K2-FSCNW расшифровывается следующим образом: 4R25 - гайка с четырехзаходной правосторонней резьбой номинальным диаметром резьбы 25 мм, 25 - шаг резьбы 25 мм, K2 - конструкция гайки предусматривает 1 контур K с 2-мя рабочими витками шариковой дорожки, FSC - фланцевая одинарная гайка с внутренним типом рециркуляции, NW - контактное резиновое уплотнение.
Гайка используется в шариковинтовой передаче, применяемой для высокоточных приводных систем в станках с ЧПУ, измерительных устройствах, модулях линейного перемещения и т.п. Шариковинтовые передачи (ШВП) по сравнению с передачами скольжения имеют ряд преимуществ, таких как: высокий КПД, малые потери на трение, медленный износ, большая осевая жесткость, возможность регулирования осевого зазора и создания предварительного натяга в резьбовом соединении, необходимость в значительно меньшей мощности приводных электродвигателей.
|
Бренд
|
HIWIN |
|
Номинальный диаметр, мм
|
25 |
|
Тип резьбы
|
4R (4-х заходная правосторонняя) |
|
Шаг резьбы, мм
|
25 |
|
Конструкция гайки
|
K2 |
|
Тип гайки
|
FSC |
|
Дополнительные функции
|
NW (контактное резиновое уплотнение) |
|
Диаметр шарика, мм
|
3,175 |
|
Вес, кг
|
0.475 |