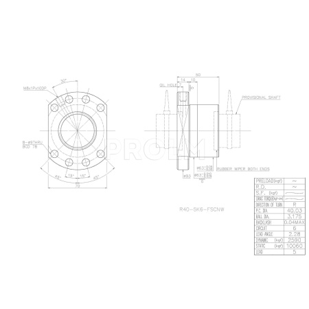
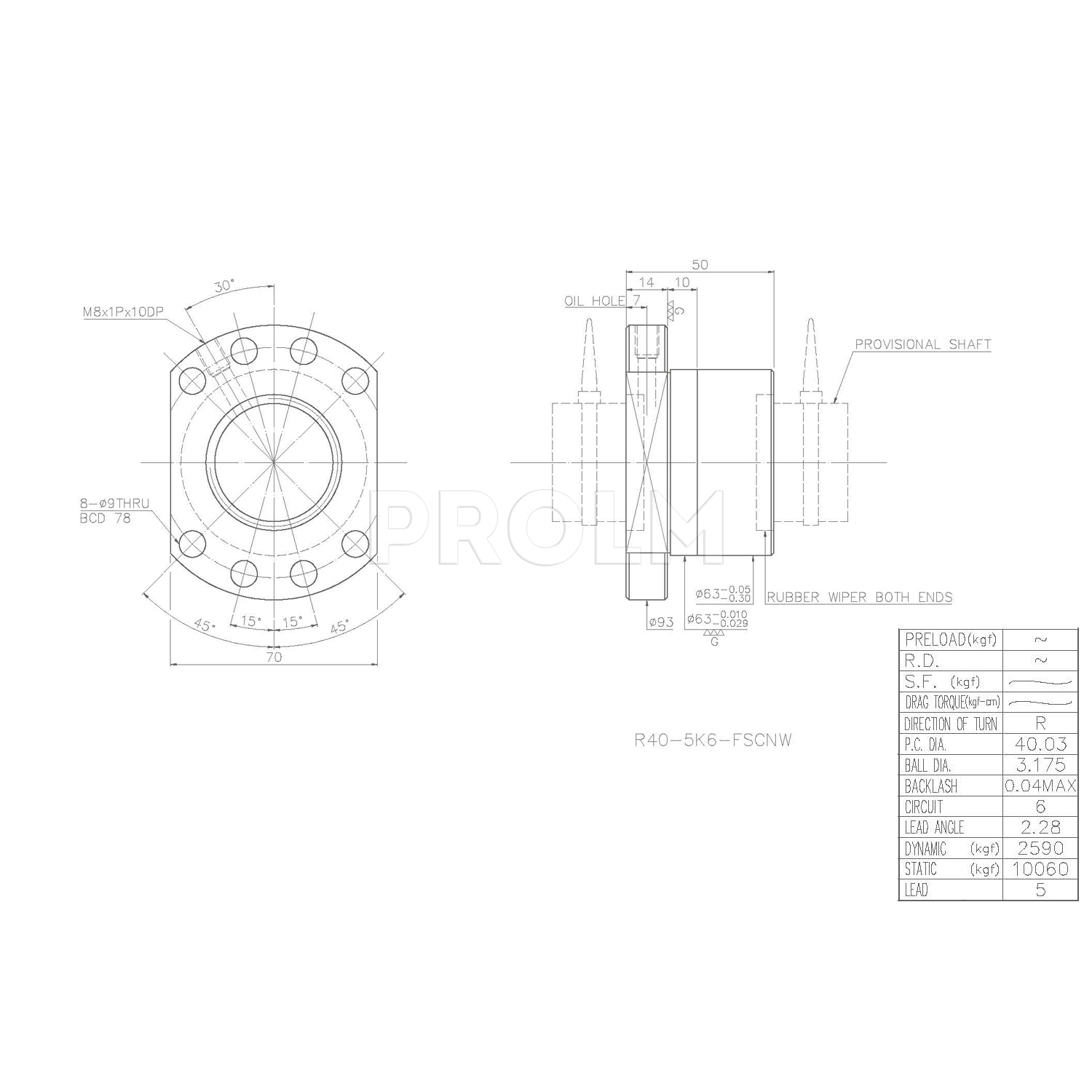
Фланцевая одинарная гайка шариковинтового привода (ШВП) R40-5K6-FSCNW производства компании HIWIN с внутренним типом рециркуляции шариков, без предварительного натяга.
Характеристики:
- динамическая нагрузка: 2590 кгс;
- статическая нагрузка: 10060 кгс;
- тип резьбы: правосторонняя;
- диаметр резьбы: 40 мм;
- шаг: 5 мм;
- диаметр шариков: 3.175 мм;
- тип исполнения механизма рециркуляции: K (одноконтурная рециркуляция сквозь тело гайки);
- число циркулирующих контуров: 1;
- число рабочих витков шариковой дорожки: 6;
- зазор: 0.04 max.
Обозначение гайки ШВП R40-5K6-FSCNW расшифровывается следующим образом: R40 - гайка с однозаходной правосторонней резьбой номинальным диаметром резьбы 40 мм, 5 - шаг резьбы 5 мм, K6 - конструкция гайки предусматривает 1 контур K с 6-ю рабочими витками шариковой дорожки, FSC - фланцевая одинарная гайка с внутренним типом рециркуляции, NW - контактное резиновое уплотнение.
Гайка используется в шариковинтовой передаче, применяемой для высокоточных приводных систем в станках с ЧПУ, измерительных устройствах, модулях линейного перемещения и т.п. Шариковинтовые передачи (ШВП) по сравнению с передачами скольжения имеют ряд преимуществ, таких как: высокий КПД, малые потери на трение, медленный износ, большая осевая жесткость, возможность регулирования осевого зазора и создания предварительного натяга в резьбовом соединении, необходимость в значительно меньшей мощности приводных электродвигателей.
|
Бренд
|
HIWIN |
|
Номинальный диаметр, мм
|
40 |
|
Тип резьбы
|
R (правосторонняя) |
|
Шаг резьбы, мм
|
5 |
|
Конструкция гайки
|
K6 |
|
Тип гайки
|
FSC |
|
Дополнительные функции
|
NW (контактное резиновое уплотнение) |
|
Диаметр шарика, мм
|
3,175 |
|
Вес, кг
|
0.935 |