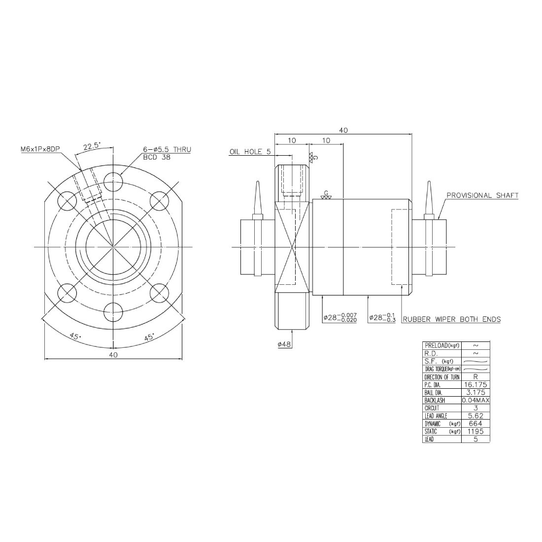
Фланцевая одинарная гайка шариковинтового привода (ШВП) R16-5T3-FSINW производства компании HIWIN.
Характеристики:
- динамическая нагрузка: 664 кгс;
- статическая нагрузка: 1195 кгс;
- тип резьбы: одинарная правосторонняя;
- диаметр внутреннего отверстия: 16 мм;
- шаг: 5 мм;
- диаметр шариков: 3.175 мм;
- тип исполнения механизма ротации: Т (тип ротации шариков без предварительного натяга);
- число циркулирующих контуров: 3;
- зазор: 0.04 max.
Обозначение гайки ШВП R16-5T3-FSINW расшифровывается следующим образом: R16 - гайка с 1-о заходной правосторонней резьбой номинальным диаметром внутреннего отверстия 16 мм, 5 - шаг резьбы 5 мм, T3 - конструкция гайки предусматривает 3 цикла T с 1,0 опорной дорожкой в каждом цикле, FSI - фланцевая одинарная гайка с внутренним типом ротации, NW - контактное резиновое уплотнение.
Гайка используется в шарико-винтовой передаче, применяемой для высокоточных приводных систем в станках с ЧПУ, измерительных устройствах, модулях линейного перемещения и прочее. Шарико-винтовые передачи (ШВП) по сравнению с передачами скольжения имеют ряд преимуществ, таких как: высокий КПД, малые потери на трении, медленный износ, большая осевая жесткость, возможность регулирования осевого зазора и создания предварительного натяга в резьбовом соединении, необходимость в значительно меньшей мощности приводных электродвигателей.
|
Бренд
|
HIWIN |
|
Номинальный диаметр, мм
|
16 |
|
Тип резьбы
|
R (правосторонняя) |
|
Шаг резьбы, мм
|
5 |
|
Конструкция гайки
|
T3 |
|
Тип гайки
|
FSI |
|
Дополнительные функции
|
NW (контактное резиновое уплотнение) |
|
Диаметр шарика, мм
|
3,175 |
|
Вес, кг
|
0.185 |