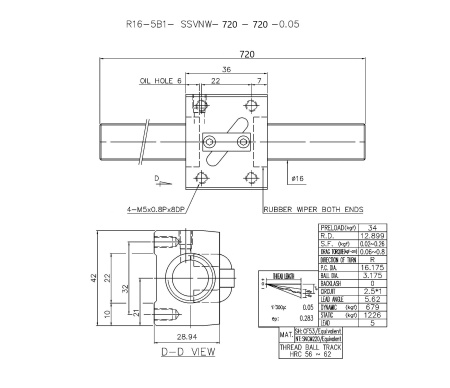
Шариковинтовой привод R16-5B1-SSVNW-720-720-0.05 производства компании HIWIN включает в себя одну гайку R16-5B1-SSVNW и винт R16-5-0.05 (R16-5-720-720-0.05).
- Диаметр винта ШВП - 16 мм, шаг - 5 мм.
- Динамическая нагрузка на привод - 679 кгс, статическая нагрузка - 1226 кгс.
- Предварительный натяг - 34 кгс.
- Термическая обработка - закалка ТВЧ.
- Твердость дорожек качения - 56-62 HRC.
Дополнительные характеристики элементов шариковинтовой пары:
Гайка R16-5B1-SSVNW:
- количество заходов - 1;
- диаметр шариков - 3.175 мм;
- тип исполнения механизма рециркуляции - B (одноконтурная рециркуляция через внешнюю трубку);
- число циркулирующих контуров - 1;
- число рабочих витков на каждый контур - 2,5x1;
- NW - контактное резиновое уплотнение;
- материал гайки - SNCM220 или эквивалентный.
Винт R16-5-0.05 (R16-5-720-720-0.05):
- количество заходов - 1;
- тип резьбы - правосторонний;
- общая длина винта - 720 мм;
- длина резьбовой части - 720 мм;
- точность исполнения - 0.05 мкм на 300 мм хода (класс точности C7);
- материал винта - CF53 или эквивалентный.
Особенностью ШВП HIWIN R16-5B1-SSVNW-720-720-0.05 является плавность и бесшумность хода, перемещение с высокой точностью и быстродействием.
Внимание: шариковинтовая передача поставляется в собранном виде, не рекомендуем свинчивать гайку без съемной втулки, так как это приведет к выпадению шариков.
|
Бренд
|
HIWIN |
|
Номинальный диаметр, мм
|
16 |
|
Тип резьбы
|
R (правосторонняя) |
|
Шаг резьбы, мм
|
5 |
|
Конструкция гайки
|
B1 |
|
Тип гайки
|
SSVNW |
|
Длина резьбовой части винта, мм
|
720 |
|
Длина, мм
|
720 |
|
Общая длина винта, мм
|
720 |
|
Погрешность перемещения на 300 мм рабочего хода, мм
|
0,05 |
|
Вес, кг
|
1,5 |