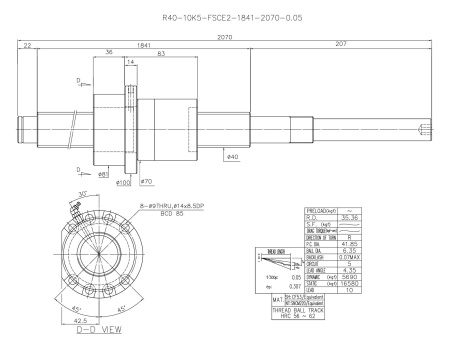
Шариковинтовой привод R40-10K5-FSCE2-1841-2070-0.05 производства компании HIWIN включает в себя одну гайку R40-10K5-FSCE2 и винт R40-10-0.05 (R40-10-1841-2070-0.05).
- Диаметр винта ШВП - 40 мм, шаг - 10 мм.
- Динамическая нагрузка на привод - 5690 кгс, статическая нагрузка - 16580 кгс.
- Термическая обработка - закалка ТВЧ.
- Твердость дорожек качения - 56-62 HRC.
Дополнительные характеристики элементов шариковинтовой пары:
Гайка R40-10K5-FSCE2:
- количество заходов - 1;
- диаметр шариков - 6,35 мм;
- тип исполнения механизма рециркуляции - K (одноконтурная рециркуляция сквозь тело гайки);
- число циркулирующих контуров - 1;
- число рабочих витков на каждый контур - 5;
- E2 - смазочный картридж;
- материал гайки - SNCM220 или эквивалентный.
Винт R40-10-0.05 (R40-10-1841-2070-0.05):
- количество заходов - 1;
- тип резьбы - правосторонний;
- общая длина винта - 2070 мм;
- длина резьбовой части - 1841 мм;
- точность исполнения - 0.05 мкм на 300 мм хода (класс точности C7);
- материал винта - CF53 или эквивалентный.
Особенностью ШВП HIWIN R40-10K5-FSCE2-1841-2070-0.05 является плавность и бесшумность хода, перемещение с высокой точностью и быстродействием.
Внимание: шариковинтовая передача поставляется в собранном виде, не рекомендуем свинчивать гайку без съемной втулки, так как это приведет к выпадению шариков.
|
Бренд
|
HIWIN |
|
Номинальный диаметр, мм
|
40 |
|
Тип резьбы
|
R (правосторонняя) |
|
Шаг резьбы, мм
|
10 |
|
Конструкция гайки
|
K5 |
|
Тип гайки
|
FSCE2 |
|
Длина резьбовой части винта, мм
|
1841 |
|
Длина, мм
|
2070 |
|
Общая длина винта, мм
|
2070 |
|
Погрешность перемещения на 300 мм рабочего хода, мм
|
0,05 |
|
Вес, кг
|
23 |