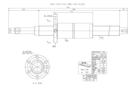
Шариковинтовой привод R32-10T3-FDI-285-410-0.023 производства компании HIWIN включает в себя одну гайку R32-10T3-FDI и винт R32-10-0.023 (R32-10-285-410-0.023).
- Диаметр винта ШВП - 32 мм, шаг - 10 мм.
- Динамическая нагрузка на привод - 2264 кгс, статическая нагрузка - 4803 кгс.
- Термическая обработка - закалка ТВЧ.
- Твердость дорожек качения - 56-62 HRC.
Дополнительные характеристики элементов шариковинтовой пары:
Гайка R32-10T3-FDI:
- количество заходов - 1;
- диаметр шариков - 6.35 мм;
- тип исполнения механизма рециркуляции - T (одновитковая рециркуляция с помощью возвратного колпачка);
- число циркулирующих контуров - 3;
- число рабочих витков на каждый контур - 1;
- материал гайки - SNCM220 или эквивалентный.
Винт R32-10-0.023 (R32-10-285-410-0.023):
- количество заходов - 1;
- тип резьбы - правосторонний;
- общая длина винта - 285 мм;
- длина резьбовой части - 410 мм;
- точность исполнения - 0.023 мкм на 300 мм хода (класс точности C6);
- материал винта – CF53 или эквивалентный.
Особенностью ШВП HIWIN R32-10T3-FDI-285-410-0.023 является плавность и бесшумность хода, перемещение с высокой точностью и быстродействием.
Внимание: шариковинтовая передача поставляется в собранном виде, не рекомендуем свинчивать гайку без съемной втулки, так как это приведет к выпадению шариков.
|
Бренд
|
HIWIN |
|
Номинальный диаметр, мм
|
32 |
|
Тип резьбы
|
R (правосторонняя) |
|
Шаг резьбы, мм
|
10 |
|
Конструкция гайки
|
T3 |
|
Тип гайки
|
FDI |
|
Длина резьбовой части винта, мм
|
285 |
|
Длина, мм
|
410 |
|
Общая длина винта, мм
|
410 |
|
Погрешность перемещения на 300 мм рабочего хода, мм
|
0,023 |
|
Высота, мм
|
80 |
|
Ширина, мм
|
80 |
|
Вес, кг
|
3.3 |