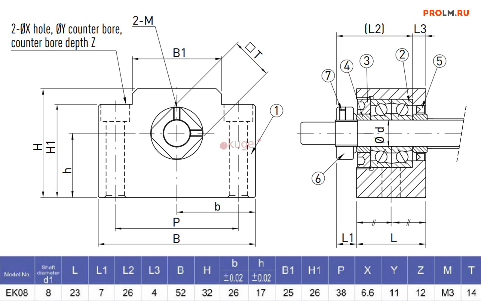
Фиксирующая опора для ШВП серии EK производства HIWIN состоит из дуплексного радиально-упорного подшипника и корпуса с монтажными отверстиями. Опора предназначена для фиксации винта ШВП в радиальном и осевом направлениях на параллельную оси винта плоскость. Используется для жесткой фиксации винта ШВП с приводной стороны. Является парой для опоры серии EF.
Обозначение опоры EK-08-C5:
- EK - серия;
- 8 - типоразмер;
- C5 - для ШВП класса точности C5.
Мы осуществляем обработку хвостовиков винтов как для стандартных опор, так и по чертежам заказчика.
|
Бренд
|
HIWIN |
|
Типоразмер
|
8 |
|
Серия опоры
|
EK |
|
Тип опоры
|
фиксированный |
|
Длина, мм
|
8 |
|
Высота, мм
|
32 |
|
Ширина, мм
|
52 |
|
Вес, кг
|
0.235 |