Характеристики:
- тип зацепления передачи: прямозубая реечная;
- профиль зуба: эвольвентный;
- модуль: 2,5;
- угол профиля зуба: 20°;
- количество зубьев: 30 шт;
- материал: сталь С45;
- квалитет точности: 8-9 DIN 3962/63/67.
Зубчатые прямозубые шестерни применяются для создания систем зубчатых передач с разным передаточным отношением, а также с зубчатыми рейками, образующими реечную передачу. Совместимы с шестярнями и зубчатыми рейками соответствующего модуля.
Области применения:
- портальные станки с ЧПУ;
- общее машиностроение;
- сварочные колонны;
- модульные системы перемещения;
- подъемные механизмы;
- роботы и т.д.
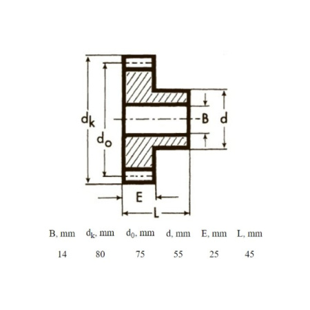
| B, мм | dk, мм | d0, мм | d, мм | E, мм | L, мм |
| 14 | 80 | 75 | 55 | 25 | 45 |
|
Бренд
|
ArtNC |
|
Тип зацепления передачи
|
прямозубый |
|
Модуль
|
M2.5 |
|
Количество зубьев
|
30 |
|
Класс точности (Q)
|
9 |
|
Термообработка (закалка)
|
нет |
|
Длина, мм
|
25 |
|
Высота, мм
|
80 |
|
Ширина, мм
|
16 |
|
Вес, кг
|
1.07 |