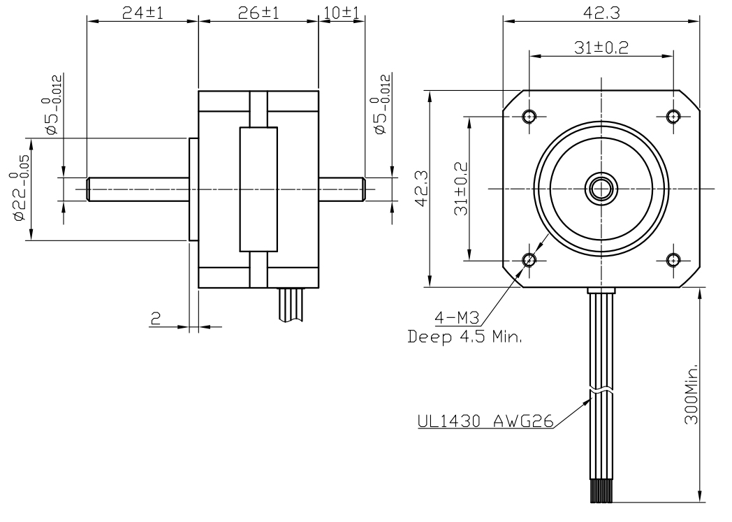
Гибридный шаговый двигатель Fulling Motor FL42STH25-0404B-5 имеет 4 вывода для подключения и следующие электромеханические характеристики:
| Тип включения обмоток | Момент удержания, Н⋅м | Ток, А | Сопротивление фазы, Ом | Индуктивность фазы, мГн |
| биполярное | 0,17 | 0,4 | 24 | 24 |
Двигатель имеет стандарный типоразмер NEMA 17, вал диаметром 5 мм. Его механические характеристики приведены в таблице ниже:
| Длина корпуса, мм | Угол шага, град. | Момент инерции ротора, г⋅см2 | Масса, кг | Радиальная нагрузка, H | Аксиальная нагрузка, H |
| 26 | 1,8 | 20 | 0,15 | 28 | 10 |
|
Бренд
|
FULLING MOTOR |
|
Тип двигателя
|
шаговый двигатель |
|
Момент удержания, Нм
|
0.17 |
|
Ток, A
|
0.4 |
|
Фланец ШД
|
NEMA 17 (42 мм) |
|
Диаметр вала, мм
|
5 |
|
Тормоз
|
нет |
|
Диапазон рабочих температур, °C
|
от -20 до +50 |
|
Индуктивность, мГн
|
24 |
|
Сопротивление обмотки, Ом
|
24 |
|
Количество выводов
|
4 |
|
Количество фаз
|
2 |
|
Класс изоляции
|
B |
|
Серия шагового привода
|
STH |
|
Длина, мм
|
26 |
|
Угол шага, град.
|
1,8 |
|
Вес, кг
|
0.2 |